Entre em contato com um de nossos especialistas!
comercial@taranisengenharia.com.br

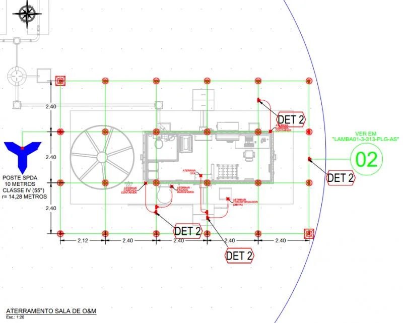
Projeto elétrico para proteção contra descargas

projeto elétrico para proteção contra descargas: assegurando Segurança e Eficiência Energética

O projeto elétrico para proteção contra descargas é essencial para assegurar a segurança e a eficiência energética de instalações industriais, corporativas e residenciais.

Por meio de diretrizes práticas, esse tipo de projeto traduz variáveis atmosféricas e elétricas em ações concretas que conectam sistemas de captação ao aterramento, evitando assim danos causados por descargas elétricas.

Neste contexto, a Taranis Engenharia se destaca como uma empresa especializada em Engenharia Elétrica, oferecendo serviços de alta qualidade e expertise no desenvolvimento de projetos elétricos que promovem segurança e eficiência.

Importância do projeto elétrico para proteção contra descargas

O projeto elétrico para proteção contra descargas desempenha um papel fundamental na preservação de equipamentos sensíveis e na manutenção da continuidade operacional de instalações elétricas.

Por meio de uma análise criteriosa das cargas, interfaces com painéis e compatibilidade com equipamentos, é possível evitar picos e queimas que poderiam resultar em prejuízos significativos.

A seleção de equipamentos adequados e o planejamento eficiente contribuem para proteger circuitos, assegurar a produtividade operacional e reduzir custos com reparos.

Benefícios do projeto elétrico para proteção contra descargas

Ao investir em um projeto elétrico para proteção contra descargas, as empresas e residências podem desfrutar de uma série de benefícios.

Além de assegurar a segurança das instalações e dos equipamentos, esse tipo de projeto promove um equilíbrio técnico que resulta em bons resultados a longo prazo.

A prevenção de danos causados por descargas elétricas também contribui para a redução de custos com manutenção e reparos, além de proporcionar maior tranquilidade aos usuários.

Projeto de SPDA: Complementando a Proteção Contra Descargas

O projeto de SPda (Sistema de Proteção contra Descargas Atmosféricas) é um componente essencial do projeto elétrico para proteção contra descargas.

Esse sistema dimensiona captação, descida e aterramento para a dispersão segura de raios, levando em consideração a geometria, altura e materiais construtivos da edificação.

A seleção de hastes, condutores e conexões adequadas, aliada à análise de risco e à descrição de interfaces com sistemas elétricos, promove estabilidade e resultados operacionais eficientes.

A Importância da Taranis Engenharia no Desenvolvimento de Projetos Elétricos

Desde 2015, a Taranis Engenharia tem se destacado no mercado ao oferecer serviços especializados em Engenharia Elétrica.

Com foco no desenvolvimento de projetos elétricos que promovem eficiência e adequação técnica, a empresa também oferece consultorias, projetos de subestação, entrada de energia, hidráulica, combate a incêndio, sistemas especiais e HVAC.

Com processos transparentes, experiência prática e resultados comprovados, a Taranis Engenharia se destaca como uma parceira confiável para projetos de proteção contra descargas.

Invista em Segurança e Eficiência Energética!

Diante da importância do projeto elétrico para proteção contra descargas e do projeto de SPDA, é fundamental investir em soluções que garantam a segurança e a eficiência energética de instalações industriais, corporativas e residenciais.

A Taranis Engenharia se destaca como uma empresa especializada em Engenharia Elétrica, oferecendo serviços de alta qualidade e expertise no desenvolvimento de projetos que promovem segurança e eficiência.

Não deixe a proteção contra descargas em segundo plano.

Invista em um projeto elétrico de qualidade e garanta a segurança e o bom funcionamento de suas instalações.

Encontrou o que procurava?

Faça seu orçamento grátis agora mesmo!

Principais regiões onde a Taranis Engenharia atende Projeto elétrico para proteção contra descargas:

RJ MG ES SP PR SC RS PE BA CE GO e DF AM PA AC AL AP MA MT MS PB PI RN RO RR SE TO
  • Rio de Janeiro
  • São Gonçalo
  • Duque de Caxias
  • Nova Iguaçu
  • Campos dos Goytacazes
  • Belford Roxo
  • Niterói
  • São João de Meriti
  • Petrópolis
  • Volta Redonda
  • Macaé
  • Magé
  • Itaboraí
  • Cabo Frio
  • Maricá
  • Nova Friburgo
  • Barra Mansa
  • Angra dos Reis
  • Mesquita
  • Teresópolis
  • Rio das Ostras
  • Nilópolis
  • Queimados
  • Araruama
  • Resende
  • Itaguaí
  • São Pedro da Aldeia
  • Itaperuna
  • Japeri
  • Barra do Piraí
  • Saquarema
  • Seropédica
  • Três Rios
  • Valença
  • Cachoeiras de Macacu
  • Rio Bonito
  • Guapimirim
  • Casimiro de Abreu
  • São Francisco de Itabapoana
  • Paraty
  • Paraíba do Sul
  • Paracambi
  • Santo Antônio de Pádua
  • Mangaratiba
  • Armação dos Búzios
  • São Fidélis
  • São João da Barra
  • Bom Jesus do Itabapoana
  • Vassouras
  • Tanguá
  • Arraial do Cabo
  • Itatiaia
  • Paty do Alferes
  • Bom Jardim
  • Iguaba Grande
  • Piraí
  • Miracema
  • Miguel Pereira
  • Pinheiral
  • Itaocara
  • Quissamã
  • São José do Vale do Rio Preto
  • Silva Jardim
  • Conceição de Macabu
  • Cordeiro
  • Porto Real
  • Cantagalo
  • Sapucaia
  • Mendes
  • Rio Claro
  • Porciúncula
  • Carmo
  • Sumidouro
  • Natividade
  • Cambuci
  • Italva
  • Carapebus
  • Quatis
  • Cardoso Moreira
  • Engenheiro Paulo de Frontin
  • Areal
  • Aperibé
  • Duas Barras
  • Trajano de Moraes
  • Santa Maria Madalena
  • Varre-Sai
  • Rio das Flores
  • Comendador Levy Gasparian
  • São Sebastião do Alto
  • Laje do Muriaé
  • São José de Ubá
  • Macuco
  • Belo Horizonte
  • Uberlândia
  • Contagem
  • Juiz de Fora
  • Montes Claros
  • Betim
  • Uberaba
  • Ribeirão das Neves
  • Governador Valadares
  • Divinópolis
  • Ipatinga
  • Sete Lagoas
  • Santa Luzia
  • Ibirité
  • Poços de Caldas
  • Patos de Minas
  • Pouso Alegre
  • Teófilo Otoni
  • Varginha
  • Conselheiro Lafaiete
  • Sabará
  • Vespasiano
  • Barbacena
  • Araguari
  • Itabira
  • Passos
  • Nova Lima
  • Araxá
  • Nova Serrana
  • Lavras
  • Coronel Fabriciano
  • Muriaé
  • Ubá
  • Ituiutaba
  • Itaúna
  • Pará de Minas
  • Paracatu
  • Itajubá
  • Manhuaçu
  • São João del Rei
  • Patrocínio
  • Caratinga
  • Unaí
  • Esmeraldas
  • Timóteo
  • Curvelo
  • João Monlevade
  • Alfenas
  • Viçosa
  • Três Corações
  • Lagoa Santa
  • Ouro Preto
  • São Sebastião do Paraíso
  • Janaúba
  • Formiga
  • Cataguases
  • Januária
  • Pedro Leopoldo
  • Mariana
  • Frutal
  • Ponte Nova
  • Pirapora
  • Três Pontas
  • Extrema
  • Itabirito
  • Congonhas
  • São Francisco
  • Campo Belo
  • Bom Despacho
  • Lagoa da Prata
  • Leopoldina
  • Guaxupé
  • Bocaiuva
  • Diamantina
  • Monte Carmelo
  • João Pinheiro
  • Igarapé
  • Santana do Paraíso
  • São Lourenço
  • Santos Dumont
  • Arcos
  • São Gotardo
  • Santa Rita do Sapucaí
  • Andradas
  • Almenara
  • Salinas
  • Boa Esperança
  • Capelinha
  • Oliveira
  • Visconde do Rio Branco
  • Brumadinho
  • Caeté
  • Ouro Branco
  • Iturama
  • Mateus Leme
  • Machado
  • Jaíba
  • Matozinhos
  • Porteirinha
  • Sarzedo
  • Piumhi
  • Nanuque
  • São Joaquim de Bicas
  • Araçuaí
  • Várzea da Palma
  • Taiobeiras
  • Itamarandiba
  • Guanhães
  • Ouro Fino
  • Brasília de Minas
  • Carangola
  • Pompéu
  • Barão de Cocais
  • Além Paraíba
  • Juatuba
  • Santa Bárbara
  • Espinosa
  • Cláudio
  • Cambuí
  • Carmo do Paranaíba
  • Três Marias
  • Coromandel
  • Conceição das Alagoas
  • Prata
  • Rio Pardo de Minas
  • Mutum
  • Santo Antônio do Monte
  • Novo Cruzeiro
  • Pitangui
  • Sacramento
  • Mantena
  • Elói Mendes
  • Campos Gerais
  • Camanducaia
  • São José da Lapa
  • São João Nepomuceno
  • Jacutinga
  • Tupaciguara
  • Coração de Jesus
  • Aimorés
  • Nepomuceno
  • Pedra Azul
  • Minas Novas
  • Paraopeba
  • Espera Feliz
  • Monte Sião
  • Buritis
  • Jequitinhonha
  • São Gonçalo do Sapucaí
  • São João da Ponte
  • Belo Oriente
  • Buritizeiro
  • São João do Paraíso
  • Carandaí
  • Bambuí
  • Corinto
  • Carmo do Cajuru
  • Francisco Sá
  • Raul Soares
  • Conceição do Mato Dentro
  • Inhapim
  • Abaeté
  • Ibiá
  • Serro
  • Muzambinho
  • Paraguaçu
  • Perdões
  • Caxambu
  • Itambacuri
  • Itapecerica
  • Santa Vitória
  • Carmo do Rio Claro
  • Monte Santo de Minas
  • Lajinha
  • Conselheiro Pena
  • Divino
  • Campestre
  • Manhumirim
  • Paraisópolis
  • Lambari
  • Jaboticatubas
  • Monte Azul
  • Ervália
  • Monte Alegre de Minas
  • Medina
  • Barroso
  • Turmalina
  • Vazante
  • Simonésia
  • Caraí
  • Ipanema
  • Itaobim
  • Guaranésia
  • Lagoa Formosa
  • Manga
  • Varzelândia
  • Presidente Olegário
  • Carlos Chagas
  • Matipó
  • Águas Formosas
  • Baependi
  • Alpinópolis
  • Campina Verde
  • Carmópolis de Minas
  • Luz
  • Malacacheta
  • Urucuia
  • Peçanha
  • Rio Pomba
  • Nova Era
  • Borda da Mata
  • São Domingos do Prata
  • Padre Paraíso
  • Santo Antônio do Amparo
  • Arinos
  • Resplendor
  • Lima Duarte
  • Itacarambi
  • Cássia
  • Bom Sucesso
  • Perdizes
  • Ipaba
  • Piranga
  • Santa Margarida
  • Poço Fundo
  • Nova Resende
  • Raposos
  • Tocantins
  • Campanha
  • Mário Campos
  • Santa Juliana
  • Passa Quatro
  • Cruzília
  • São João Evangelista
  • Itanhandu
  • Alvinópolis
  • Brasilândia de Minas
  • Botelhos
  • Itamonte
  • Entre Rios de Minas
  • Tarumirim
  • Capinópolis
  • Rio Piracicaba
  • Nova Ponte
  • Bom Jesus do Galho
  • Fronteira
  • Rio Paranaíba
  • Itaú de Minas
  • Ladainha
  • Maria da Fé
  • Brazópolis
  • Sabinópolis
  • Caldas
  • Astolfo Dutra
  • Matias Barbosa
  • Capitão Enéas
  • Montalvânia
  • Águas Vermelhas
  • Martinho Campos
  • Candeias
  • Bicas
  • Felixlândia
  • Abre Campo
  • Papagaios
  • Alterosa
  • Grão Mogol
  • Joaíma
  • Areado
  • Itaguara
  • Carmo de Minas
  • Guapé
  • Itinga
  • Ataléia
  • Itapagipe
  • Poté
  • Mirabela
  • Miraí
  • Engenheiro Caldas
  • Monte Belo
  • São João das Missões
  • Ubaporanga
  • Campos Altos
  • Itatiaiuçu
  • Rio Casca
  • Santa Maria do Suaçuí
  • Lagoa Dourada
  • Ilicínea
  • Mar de Espanha
  • Itapeva
  • Bom Repouso
  • Rio Vermelho
  • Dores do Indaiá
  • Água Boa
  • Conceição do Rio Verde
  • Jequeri
  • Chapada Gaúcha
  • Cambuquira
  • Perdigão
  • Teixeiras
  • Cristais
  • Mato Verde
  • Iapu
  • Andrelândia
  • Cachoeira de Minas
  • São Gonçalo do Rio Abaixo
  • Virgem da Lapa
  • Serra do Salitre
  • São Gonçalo do Pará
  • Ubaí
  • Piraúba
  • Carmo da Cachoeira
  • Estiva
  • Prudente de Morais
  • Caetanópolis
  • Cabo Verde
  • Campo do Meio
  • Gouveia
  • São João do Manhuaçu
  • Resende Costa
  • São Tiago
  • Planura
  • Itanhomi
  • Antônio Carlos
  • Juruaia
  • Congonhal
  • Pirapetinga
  • Jacinto
  • Carmo da Mata
  • Recreio
  • Ibiraci
  • Bueno Brandão
  • Alto Rio Doce
  • Coroaci
  • Ponto dos Volantes
  • Conceição dos Ouros
  • Igaratinga
  • Eugenópolis
  • Itamogi
  • Pedralva
  • Icaraí de Minas
  • Capim Branco
  • Canápolis
  • Urucânia
  • Ninheira
  • Porto Firme
  • Delta
  • Santa Maria de Itabira
  • Itaipé
  • Pedras de Maria da Cruz
  • Fervedouro
  • Senhora dos Remédios
  • Capitólio
  • Cristina
  • Mercês
  • Conceição da Aparecida
  • Itabirinha
  • Chapada do Norte
  • Santo Antônio do Jacinto
  • São Romão
  • Virginópolis
  • Jordânia
  • Rubim
  • São Geraldo
  • Novo Oriente de Minas
  • Rio Acima
  • Divisópolis
  • Centralina
  • Bonito de Minas
  • Bela Vista de Minas
  • São Sebastião do Maranhão
  • Dores de Campos
  • Setubinha
  • Berilo
  • Guaraciaba
  • Ferros
  • Carneirinho
  • Antônio Dias
  • Araújos
  • Arceburgo
  • Buenópolis
  • Ipuiúna
  • Piranguinho
  • Mata Verde
  • Cachoeira de Pajeú
  • Morada Nova de Minas
  • Prados
  • Coqueiral
  • Santana do Manhuaçu
  • Lagoa Grande
  • Miradouro
  • Açucena
  • Caputira
  • Virgínia
  • Matias Cardoso
  • São Sebastião do Oeste
  • Lontra
  • Riacho dos Machados
  • Limeira do Oeste
  • Rodeiro
  • Paula Cândido
  • Belo Vale
  • Tombos
  • Pimenta
  • Piedade de Caratinga
  • Rio Novo
  • Carbonita
  • Araporã
  • Guimarânia
  • Passa Tempo
  • Campo Florido
  • Santa Rita de Caldas
  • Santa Bárbara do Leste
  • Orizânia
  • Pratápolis
  • Delfinópolis
  • Alto Jequitibá
  • Martins Soares
  • Pocrane
  • Monsenhor Paulo
  • Frei Inocêncio
  • Coronel Murta
  • Nazareno
  • Coluna
  • Pains
  • Japonvar
  • Santa Cruz de Minas
  • Araponga
  • Pavão
  • Florestal
  • Delfim Moreira
  • Formoso
  • Tiros
  • Reduto
  • Durandé
  • São José da Barra
  • Guiricema
  • Tiradentes
  • Angelândia
  • Senador Firmino
  • Guarani
  • Verdelândia
  • Desterro de Entre Rios
  • São João Batista do Glória
  • Serrania
  • Moema
  • Cordisburgo
  • Jacuí
  • Baldim
  • Munhoz
  • Bonfim
  • Curral de Dentro
  • São Gonçalo do Abaeté
  • Inimutaba
  • Francisco Badaró
  • Confins
  • Sericita
  • Maravilhas
  • Pedra Bonita
  • Inconfidentes
  • Cônego Marinho
  • Toledo
  • Iraí de Minas
  • Claro dos Poções
  • São Pedro dos Ferros
  • Guidoval
  • São Roque de Minas
  • Lassance
  • Coimbra
  • Pintópolis
  • São João do Oriente
  • Catuji
  • Santana de Pirapama
  • Ijaci
  • Imbé de Minas
  • Varjão de Minas
  • Luisburgo
  • Serra dos Aimorés
  • Alfredo Vasconcelos
  • São Thomé das Letras
  • Alpercata
  • Montezuma
  • Riachinho
  • Dionísio
  • Estrela do Sul
  • Iguatama
  • Careaçu
  • São Vicente de Minas
  • Bom Jardim de Minas
  • Santa Rita de Minas
  • São Tomás de Aquino
  • Nova Porteirinha
  • Piracema
  • Conquista
  • Comercinho
  • Santana da Vargem
  • Itumirim
  • Lagamar
  • Santo Antônio do Retiro
  • Cabeceira Grande
  • Espírito Santo do Dourado
  • Pouso Alto
  • Capetinga
  • Periquito
  • Guarda-Mor
  • Divinolândia de Minas
  • Felisburgo
  • Machacalis
  • Jequitaí
  • São Sebastião da Bela Vista
  • Engenheiro Navarro
  • Indaiabira
  • São Miguel do Anta
  • Divisa Alegre
  • Sapucaí-Mirim
  • Naque
  • Palmópolis
  • Ibiaí
  • Abadia dos Dourados
  • Inhaúma
  • Aiuruoca
  • Galiléia
  • Luislândia
  • Senador Amaral
  • Jeceaba
  • São José do Jacuri
  • São Sebastião do Anta
  • São Francisco de Paula
  • Silvianópolis
  • Central de Minas
  • Indianópolis
  • Heliodora
  • Córrego Fundo
  • Salto da Divisa
  • Jenipapo de Minas
  • Dona Euzébia
  • Chalé
  • Itueta
  • Piranguçu
  • Mamonas
  • Laranjal
  • Bandeira do Sul
  • Santa Helena de Minas
  • Nova União
  • Tumiritinga
  • Jequitibá
  • Divisa Nova
  • Santa Rita do Itueto
  • Alto Caparaó
  • Botumirim
  • Juvenília
  • Vargem Alegre
  • Ouro Verde de Minas
  • São Francisco de Sales
  • Palma
  • Rubelita
  • Barra Longa
  • Itaverava
  • Frei Gaspar
  • Bom Jesus do Amparo
  • São Domingos das Dores
  • Soledade de Minas
  • Mendes Pimentel
  • Luminárias
  • Cipotânea
  • Patrocínio do Muriaé
  • Rio Manso
  • Pai Pedro
  • Pirajuba
  • Bonfinópolis de Minas
  • Senhora de Oliveira
  • Catas Altas
  • Datas
  • Crucilândia
  • Rio Espera
  • Conceição do Pará
  • São José do Goiabal
  • Olhos-d'Água
  • Bocaina de Minas
  • São João do Manteninha
  • Santana do Riacho
  • Caiana
  • Cana Verde
  • Crisólita
  • Gonzaga
  • Dom Silvério
  • Ibertioga
  • Gurinhatã
  • Madre de Deus de Minas
  • Veredinha
  • Entre Folhas
  • Rio Preto
  • Jesuânia
  • Sobrália
  • Felício dos Santos
  • Moeda
  • Cristália
  • Sardoá
  • São Pedro do Suaçuí
  • Ibiracatu
  • Padre Carvalho
  • Guaraciama
  • Caparaó
  • Mesquita
  • Franciscópolis
  • Dores de Guanhães
  • Piedade dos Gerais
  • Ritápolis
  • Dores do Turvo
  • Barão de Monte Alto
  • Turvolândia
  • Descoberto
  • Oratórios
  • Dom Cavati
  • Dom Joaquim
  • Vermelho Novo
  • São Pedro da União
  • Presidente Bernardes
  • Patis
  • Congonhas do Norte
  • São João da Lagoa
  • São Francisco do Glória
  • Gameleiras
  • Santa Maria do Salto
  • Santa Rita de Jacutinga
  • Bandeira
  • Catuti
  • Liberdade
  • Gonçalves
  • Rosário da Limeira
  • Aricanduva
  • Canaã
  • São Bento Abade
  • Pingo-d'Água
  • Natércia
  • Funilândia
  • Santa Cruz do Escalvado
  • Cristiano Otoni
  • Claraval
  • Fruta de Leite
  • Rio do Prado
  • Vargem Grande do Rio Pardo
  • Piedade do Rio Grande
  • Marliéria
  • Capitão Andrade
  • Novorizonte
  • Virgolândia
  • Ressaquinha
  • Amparo do Serra
  • Augusto de Lima
  • São José da Varginha
  • Japaraíba
  • Francisco Dumont
  • Bom Jesus da Penha
  • Bertópolis
  • Volta Grande
  • Braúnas
  • Carvalhos
  • Conceição de Ipanema
  • Serranópolis de Minas
  • Paulistas
  • Monte Formoso
  • Capela Nova
  • Aguanil
  • Fronteira dos Vales
  • Leme do Prado
  • Joanésia
  • Jampruca
  • Córrego do Bom Jesus
  • José Raydan
  • Brás Pires
  • Itacambira
  • Couto de Magalhães de Minas
  • Santo Antônio do Grama
  • Divinésia
  • Marilac
  • Paineiras
  • Taquaraçu de Minas
  • Itutinga
  • Santana do Jacaré
  • Santa Bárbara do Tugúrio
  • Berizal
  • Divino das Laranjeiras
  • Alvorada de Minas
  • Pequi
  • São José do Alegre
  • Tapira
  • Pedra do Indaiá
  • Cajuri
  • Ribeirão Vermelho
  • Goianá
  • Carrancas
  • Bugre
  • Santa Efigênia de Minas
  • Tabuleiro
  • Senador Modestino Gonçalves
  • São Brás do Suaçuí
  • Miravânia
  • Cuparaque
  • Piedade de Ponte Nova
  • Cantagalo
  • Alvarenga
  • São João do Pacuí
  • José Gonçalves de Minas
  • Materlândia
  • Santo Antônio do Itambé
  • Santa Cruz de Salinas
  • Acaiaca
  • Medeiros
  • Ewbank da Câmara
  • Joaquim Felício
  • União de Minas
  • Tocos do Moji
  • Matutina
  • São José da Safira
  • Serra Azul de Minas
  • Ipiaçu
  • Santo Antônio do Aventureiro
  • Juramento
  • Ponto Chique
  • Santana do Deserto
  • Minduri
  • Campo Azul
  • Vieiras
  • Dom Bosco
  • Cachoeira da Prata
  • Itamarati de Minas
  • Nova Módica
  • Josenópolis
  • Pescador
  • Conceição da Barra de Minas
  • Pratinha
  • Diogo de Vasconcelos
  • Santa Fé de Minas
  • Cruzeiro da Fortaleza
  • Natalândia
  • Santana de Cataguases
  • Coronel Xavier Chaves
  • Fortaleza de Minas
  • Santana dos Montes
  • Presidente Juscelino
  • São José do Divino
  • Veríssimo
  • Frei Lagonegro
  • Maripá de Minas
  • Taparuba
  • Romaria
  • Santa Rosa da Serra
  • Ibitiúra de Minas
  • Bias Fortes
  • Pequeri
  • Pedrinópolis
  • Carvalhópolis
  • Lagoa dos Patos
  • Pedra do Anta
  • São Geraldo da Piedade
  • Santa Rita de Ibitipoca
  • Uruana de Minas
  • Belmiro Braga
  • Cordislândia
  • Marmelópolis
  • São Félix de Minas
  • Leandro Ferreira
  • Faria Lemos
  • Lamim
  • Quartel Geral
  • Nova Belém
  • Guarará
  • São Geraldo do Baixio
  • Morro do Pilar
  • São Sebastião da Vargem Alegre
  • Catas Altas da Noruega
  • Dom Viçoso
  • Santa Bárbara do Monte Verde
  • Fortuna de Minas
  • Jaguaraçu
  • Chácara
  • Presidente Kubitschek
  • Senhora do Porto
  • Mathias Lobato
  • São Gonçalo do Rio Preto
  • Desterro do Melo
  • Onça de Pitangui
  • Córrego Danta
  • Simão Pereira
  • Albertina
  • Caranaíba
  • Glaucilândia
  • Campanário
  • Arantina
  • São João da Mata
  • Córrego Novo
  • Camacho
  • Goiabeira
  • Chiador
  • Piau
  • Fernandes Tourinho
  • Comendador Gomes
  • Conceição das Pedras
  • Estrela do Indaiá
  • Coronel Pacheco
  • Pedra Dourada
  • São José do Mantimento
  • Alagoa
  • Santo Hipólito
  • Cascalho Rico
  • Ibituruna
  • Argirita
  • Umburatiba
  • Arapuá
  • Carmésia
  • Ingaí
  • Fama
  • Olímpio Noronha
  • Rio Doce
  • Nacip Raydan
  • Sem-Peixe
  • Morro da Garça
  • Biquinhas
  • Wenceslau Braz
  • Silveirânia
  • Cachoeira Dourada
  • São Sebastião do Rio Verde
  • Rochedo de Minas
  • Senador Cortes
  • Passa Vinte
  • Casa Grande
  • Estrela Dalva
  • Araçaí
  • Monjolos
  • Vargem Bonita
  • Itambé do Mato Dentro
  • Santana do Garambéu
  • Água Comprida
  • Senador José Bento
  • Aracitaba
  • Oliveira Fortes
  • Serranos
  • Olaria
  • Douradoquara
  • Seritinga
  • Pedro Teixeira
  • Santo Antônio do Rio Abaixo
  • Queluzito
  • Tapiraí
  • Passabém
  • Consolação
  • Antônio Prado de Minas
  • Paiva
  • Doresópolis
  • Grupiara
  • São Sebastião do Rio Preto
  • Cedro do Abaeté
  • Serra da Saudade
  • Serra
  • Vila Velha
  • Cariacica
  • Vitória
  • Cachoeiro de Itapemirim
  • Linhares
  • Guarapari
  • São Mateus
  • Colatina
  • Aracruz
  • Viana
  • Nova Venécia
  • Barra de São Francisco
  • Marataízes
  • Santa Maria de Jetibá
  • Itapemirim
  • Castelo
  • Domingos Martins
  • São Gabriel da Palha
  • Afonso Cláudio
  • Baixo Guandu
  • Anchieta
  • Guaçuí
  • Alegre
  • Jaguaré
  • Iúna
  • Conceição da Barra
  • Sooretama
  • Ibatiba
  • Mimoso do Sul
  • Pinheiros
  • Venda Nova do Imigrante
  • Santa Teresa
  • Piúma
  • Ecoporanga
  • Pedro Canário
  • Vargem Alta
  • Rio Bananal
  • Montanha
  • Pancas
  • Muniz Freire
  • Fundão
  • Marechal Floriano
  • João Neiva
  • Alfredo Chaves
  • Muqui
  • Vila Valério
  • Irupi
  • Presidente Kennedy
  • Boa Esperança
  • Itaguaçu
  • Santa Leopoldina
  • Brejetuba
  • Mantenópolis
  • Iconha
  • Marilândia
  • Água Doce do Norte
  • Conceição do Castelo
  • Ibiraçu
  • Jerônimo Monteiro
  • Laranja da Terra
  • Rio Novo do Sul
  • Governador Lindenberg
  • São Roque do Canaã
  • São José do Calçado
  • Itarana
  • Atílio Vivácqua
  • Bom Jesus do Norte
  • Águia Branca
  • Ibitirama
  • Vila Pavão
  • São Domingos do Norte
  • Alto Rio Novo
  • Apiacá
  • Dores do Rio Preto
  • Ponto Belo
  • Mucurici
  • Divino de São Lourenço
  • São Paulo
  • Guarulhos
  • Campinas
  • São Bernardo do Campo
  • Santo André
  • Osasco
  • Sorocaba
  • Ribeirão Preto
  • São José dos Campos
  • São José do Rio Preto
  • Mogi das Cruzes
  • Jundiaí
  • Piracicaba
  • Santos
  • Mauá
  • Diadema
  • Carapicuíba
  • Bauru
  • Itaquaquecetuba
  • Franca
  • Praia Grande
  • São Vicente
  • Barueri
  • Taubaté
  • Suzano
  • Limeira
  • Guarujá
  • Sumaré
  • Cotia
  • Taboão da Serra
  • Indaiatuba
  • São Carlos
  • Embu das Artes
  • Araraquara
  • Jacareí
  • Marília
  • Americana
  • Hortolândia
  • Itapevi
  • Presidente Prudente
  • Rio Claro
  • Araçatuba
  • Santa Bárbara d'Oeste
  • Ferraz de Vasconcelos
  • Bragança Paulista
  • Itu
  • São Caetano do Sul
  • Pindamonhangaba
  • Francisco Morato
  • Atibaia
  • Itapecerica da Serra
  • Itapetininga
  • Santana de Parnaíba
  • Mogi Guaçu
  • Botucatu
  • Franco da Rocha
  • Caraguatatuba
  • Salto
  • Jaú
  • Araras
  • Votorantim
  • Sertãozinho
  • Valinhos
  • Tatuí
  • Barretos
  • Itatiba
  • Birigui
  • Jandira
  • Guaratinguetá
  • Catanduva
  • Várzea Paulista
  • Ribeirão Pires
  • Itanhaém
  • Cubatão
  • Paulínia
  • Ourinhos
  • Poá
  • Assis
  • Leme
  • Votuporanga
  • Caçapava
  • Caieiras
  • Mairiporã
  • Ubatuba
  • Avaré
  • Cajamar
  • Mogi Mirim
  • São João da Boa Vista
  • Itapeva
  • Arujá
  • Lorena
  • São Sebastião
  • São Roque
  • Matão
  • Campo Limpo Paulista
  • Vinhedo
  • Bebedouro
  • Ibiúna
  • Cruzeiro
  • Lins
  • Pirassununga
  • Itapira
  • Jaboticabal
  • Fernandópolis
  • Itupeva
  • Peruíbe
  • Amparo
  • Mococa
  • Embu-Guaçu
  • Lençóis Paulista
  • Monte Mor
  • Bertioga
  • Tupã
  • Mirassol
  • Nova Odessa
  • Mongaguá
  • Penápolis
  • Boituva
  • Ibitinga
  • Registro
  • Andradina
  • Cosmópolis
  • Jaguariúna
  • Batatais
  • Porto Feliz
  • Olímpia
  • Santa Isabel
  • Piedade
  • Porto Ferreira
  • Taquaritinga
  • São José do Rio Pardo
  • Louveira
  • Artur Nogueira
  • Tremembé
  • Vargem Grande Paulista
  • Capivari
  • Mairinque
  • Jales
  • São Joaquim da Barra
  • Monte Alto
  • Cabreúva
  • Campos do Jordão
  • Santa Cruz do Rio Pardo
  • Capão Bonito
  • Dracena
  • Jardinópolis
  • Pederneiras
  • Cerquilho
  • Itararé
  • Rio Grande da Serra
  • Serrana
  • Salto de Pirapora
  • Pedreira
  • Garça
  • Paraguaçu Paulista
  • Vargem Grande do Sul
  • Socorro
  • Espírito Santo do Pinhal
  • Presidente Epitácio
  • Itápolis
  • Guaíra
  • Novo Horizonte
  • Orlândia
  • São Pedro
  • Agudos
  • Tietê
  • Pontal
  • Ituverava
  • Jarinu
  • Guariba
  • São Manuel
  • José Bonifácio
  • Iperó
  • Presidente Venceslau
  • Promissão
  • Ilhabela
  • Santa Fé do Sul
  • Adamantina
  • Barra Bonita
  • Pitangueiras
  • Cravinhos
  • Américo Brasiliense
  • Aparecida
  • Araçoiaba da Serra
  • Ibaté
  • Barrinha
  • Aguaí
  • São Miguel Arcanjo
  • Descalvado
  • Bariri
  • Cachoeira Paulista
  • Rio das Pedras
  • Osvaldo Cruz
  • Guararema
  • Guararapes
  • Serra Negra
  • Biritiba Mirim
  • Cândido Mota
  • Piraju
  • Iguape
  • Santa Cruz das Palmeiras
  • Rancharia
  • Cajati
  • Conchal
  • Casa Branca
  • Mirandópolis
  • Morro Agudo
  • Pilar do Sul
  • Juquitiba
  • Bady Bassitt
  • Álvares Machado
  • Laranjal Paulista
  • Igarapava
  • Piracaia
  • Ilha Solteira
  • Pirapozinho
  • Tanabi
  • Brodowski
  • Itaí
  • Martinópolis
  • Santa Rita do Passa Quatro
  • Apiaí
  • Cordeirópolis
  • Dois Córregos
  • Taquarituba
  • Valparaíso
  • Pereira Barreto
  • Angatuba
  • Brotas
  • Cajuru
  • Santa Gertrudes
  • Santa Rosa de Viterbo
  • Santo Antônio de Posse
  • Igaraçu do Tietê
  • Capela do Alto
  • Pirajuí
  • Monte Aprazível
  • Teodoro Sampaio
  • Cunha
  • Bom Jesus dos Perdões
  • Iracemápolis
  • Guapiaçu
  • Araçariguama
  • Bastos
  • Cerqueira César
  • Tambaú
  • Junqueirópolis
  • Potim
  • Buri
  • Pompeia
  • Regente Feijó
  • Lucélia
  • Castilho
  • Palmital
  • Engenheiro Coelho
  • Miguelópolis
  • Nova Granada
  • Paranapanema
  • Pariquera-Açu
  • Itatinga
  • Cesário Lange
  • Ribeirão Branco
  • Guará
  • Miracatu
  • Potirendaba
  • Colina
  • Pirapora do Bom Jesus
  • Nazaré Paulista
  • Monte Azul Paulista
  • Itaberá
  • Santo Anastácio
  • Águas de Lindóia
  • Elias Fausto
  • Paraibuna
  • Rosana
  • Viradouro
  • Alumínio
  • Buritama
  • Juquiá
  • Caconde
  • Pradópolis
  • Guapiara
  • Itajobi
  • Macatuba
  • Altinópolis
  • Cafelândia
  • Fartura
  • Itirapina
  • Jacupiranga
  • São Lourenço da Serra
  • Mirante do Paranapanema
  • Tupi Paulista
  • Charqueada
  • Itariri
  • Pedregulho
  • Conchas
  • Pinhalzinho
  • Salesópolis
  • Piratininga
  • Holambra
  • Guareí
  • Panorama
  • Tarumã
  • Pacaembu
  • Tabatinga
  • Severínia
  • Pindorama
  • Patrocínio Paulista
  • Presidente Bernardes
  • Ipuã
  • Borborema
  • Valentim Gentil
  • Itaporanga
  • Santa Adélia
  • Santa Branca
  • Urupês
  • Morungaba
  • Ipaussu
  • Auriflama
  • Itapuí
  • São Simão
  • Ilha Comprida
  • Quatá
  • Eldorado
  • Boa Esperança do Sul
  • Flórida Paulista
  • Joanópolis
  • Serra Azul
  • Sete Barras
  • Maracaí
  • Taguaí
  • Cedral
  • Piquete
  • Duartina
  • Cananéia
  • Luiz Antônio
  • Chavantes
  • Tapiratiba
  • Ibirá
  • São Bento do Sapucaí
  • Bernardino de Campos
  • Palestina
  • Sales Oliveira
  • Cardoso
  • Tabapuã
  • Estiva Gerbi
  • Pedro de Toledo
  • Avanhandava
  • Bocaina
  • Guaiçara
  • Mineiros do Tietê
  • Divinolândia
  • Ribeirão Bonito
  • Pirangi
  • Roseira
  • Igaratá
  • Parapuã
  • Vargem
  • Bofete
  • Porangaba
  • São Sebastião da Grama
  • Iacanga
  • Uchoa
  • Sarapuí
  • Guaraci
  • São Luiz do Paraitinga
  • General Salgado
  • Riolândia
  • Ouroeste
  • Getulina
  • Vera Cruz
  • Areiópolis
  • Bananal
  • Manduri
  • Nhandeara
  • Neves Paulista
  • Lavínia
  • Palmares Paulista
  • Bálsamo
  • Dumont
  • Estrela d'Oeste
  • Torrinha
  • Nova Europa
  • Cristais Paulista
  • Rinópolis
  • Queluz
  • Cajobi
  • Herculândia
  • Rincão
  • Salto Grande
  • Rafard
  • Palmeira d'Oeste
  • Urânia
  • Dobrada
  • Cosmorama
  • Pereiras
  • Monte Alegre do Sul
  • Nova Campina
  • Santo Antônio do Aracanguá
  • Saltinho
  • Arealva
  • Vista Alegre do Alto
  • Dourado
  • Itobi
  • Iaras
  • Tapiraí
  • Paulicéia
  • Euclides da Cunha Paulista
  • Terra Roxa
  • Icém
  • Ouro Verde
  • Reginópolis
  • São José da Bela Vista
  • Iepê
  • Jaci
  • Ariranha
  • Macaubal
  • Ribeirão Grande
  • Guaraçaí
  • Paulo de Faria
  • Nuporanga
  • Águas da Prata
  • Sud Mennucci
  • Guatapará
  • Bilac
  • São Pedro do Turvo
  • Águas de Santa Bárbara
  • Lavrinhas
  • Pardinho
  • Santa Lúcia
  • Santo Antônio do Pinhal
  • Irapuru
  • Quintana
  • Lindoia
  • Catiguá
  • Natividade da Serra
  • Clementina
  • Arandu
  • Taquarivaí
  • Barra do Turvo
  • Irapuã
  • Ipeúna
  • Três Fronteiras
  • Tuiuti
  • Santo Antônio da Alegria
  • Ipiguá
  • Nova Aliança
  • Colômbia
  • Pedra Bela
  • Taiúva
  • Tarabai
  • Sales
  • Guarantã
  • Restinga
  • Jambeiro
  • Santa Albertina
  • Ibirarema
  • Gália
  • Canitar
  • Taciba
  • Jaborandi
  • Echaporã
  • Silveiras
  • Mendonça
  • Alambari
  • Iacri
  • Santo Antônio do Jardim
  • Santa Ernestina
  • Paraíso
  • Oriente
  • Orindiúva
  • Campina do Monte Alegre
  • Fernando Prestes
  • Américo de Campos
  • Itirapuã
  • Narandiba
  • Taiaçu
  • Anhembi
  • Barbosa
  • Riversul
  • Poloni
  • Piacatu
  • Guaimbê
  • Caiuá
  • Aramina
  • Coroados
  • Ubarana
  • Braúna
  • Santa Maria da Serra
  • Barra do Chapéu
  • Ubirajara
  • Pratânia
  • Sabino
  • Indiana
  • Lagoinha
  • Canas
  • Campos Novos Paulista
  • Álvaro de Carvalho
  • Salmourão
  • Onda Verde
  • Nipoã
  • Boraceia
  • Gavião Peixoto
  • Luiziânia
  • Ribeirão do Sul
  • Mirassolândia
  • Nova Independência
  • Ribeirão Corrente
  • Analândia
  • Marabá Paulista
  • Meridiano
  • Redenção da Serra
  • Avaí
  • Alfredo Marcondes
  • Novais
  • Planalto
  • João Ramalho
  • Buritizal
  • Adolfo
  • Ocauçu
  • Itapirapuã Paulista
  • Cabrália Paulista
  • Coronel Macedo
  • Santa Cruz da Conceição
  • Júlio Mesquita
  • Guzolândia
  • Monte Castelo
  • Corumbataí
  • Espírito Santo do Turvo
  • Glicério
  • Monteiro Lobato
  • Pontalinda
  • Populina
  • Tejupá
  • Aparecida d'Oeste
  • Rifaina
  • Iporanga
  • Indiaporã
  • Motuca
  • Paranapuã
  • Anhumas
  • Lupércio
  • Itapura
  • Macedônia
  • Álvares Florence
  • Santópolis do Aguapeí
  • Balbinos
  • Jeriquara
  • São José do Barreiro
  • Florínea
  • Alto Alegre
  • Rubineia
  • Presidente Alves
  • Murutinga do Sul
  • Mombuca
  • Caiabu
  • Sarutaiá
  • Sandovalina
  • Itaju
  • Inúbia Paulista
  • Areias
  • Bom Sucesso de Itararé
  • Barão de Antonina
  • Mariápolis
  • Altair
  • Itaoca
  • Suzanápolis
  • Quadra
  • Pongaí
  • Marapoama
  • Queiroz
  • Piquerobi
  • Gastão Vidigal
  • Magda
  • Elisiário
  • Ribeira
  • Sebastianópolis do Sul
  • Mira Estrela
  • Jumirim
  • Platina
  • Emilianópolis
  • Santo Expedito
  • Santa Mercedes
  • Parisi
  • Cândido Rodrigues
  • Alvinlândia
  • Nova Luzitânia
  • Pedrinhas Paulista
  • Cássia dos Coqueiros
  • Pedranópolis
  • Águas de São Pedro
  • Gabriel Monteiro
  • Floreal
  • Santa Rita d'Oeste
  • Borebi
  • Estrela do Norte
  • Rubiácea
  • Zacarias
  • Lutécia
  • Nantes
  • Taquaral
  • Bento de Abreu
  • São Francisco
  • Santa Clara d'Oeste
  • São João das Duas Pontes
  • Pracinha
  • Brejo Alegre
  • Óleo
  • Sagres
  • Oscar Bressane
  • Timburi
  • Pontes Gestal
  • Lucianópolis
  • Arapeí
  • Embaúba
  • São João do Pau-d'Alho
  • Dolcinópolis
  • Nova Guataporanga
  • Santa Cruz da Esperança
  • Cruzália
  • Paulistânia
  • Torre de Pedra
  • Arco-Íris
  • Nova Canaã Paulista
  • Ribeirão dos Índios
  • Guarani d'Oeste
  • Mesópolis
  • Lourdes
  • Monções
  • Marinópolis
  • São João de Iracema
  • Aspásia
  • Turiúba
  • Vitória Brasil
  • Trabiju
  • Santana da Ponte Pensa
  • Turmalina
  • Fernão
  • Santa Salete
  • Dirce Reis
  • União Paulista
  • Flora Rica
  • Uru
  • Nova Castilho
  • Borá
  • Curitiba
  • Londrina
  • Maringá
  • Ponta Grossa
  • Cascavel
  • São José dos Pinhais
  • Foz do Iguaçu
  • Colombo
  • Guarapuava
  • Araucária
  • Toledo
  • Fazenda Rio Grande
  • Paranaguá
  • Campo Largo
  • Apucarana
  • Pinhais
  • Almirante Tamandaré
  • Arapongas
  • Piraquara
  • Sarandi
  • Umuarama
  • Cambé
  • Campo Mourão
  • Francisco Beltrão
  • Paranavaí
  • Pato Branco
  • Cianorte
  • Telêmaco Borba
  • Castro
  • Rolândia
  • Irati
  • União da Vitória
  • Marechal Cândido Rondon
  • Ibiporã
  • Prudentópolis
  • Palmas
  • Campina Grande do Sul
  • Medianeira
  • Santo Antônio da Platina
  • Paiçandu
  • Cornélio Procópio
  • Lapa
  • Dois Vizinhos
  • São Mateus do Sul
  • Guaratuba
  • Jacarezinho
  • Marialva
  • Matinhos
  • Rio Branco do Sul
  • Assis Chateaubriand
  • Mandaguari
  • Jaguariaíva
  • Palotina
  • Palmeira
  • Pitanga
  • Ivaiporã
  • Laranjeiras do Sul
  • Guaíra
  • Mandaguaçu
  • Rio Negro
  • Bandeirantes
  • Itaperuçu
  • Quedas do Iguaçu
  • Pontal do Paraná
  • Imbituva
  • Campo Magro
  • Pinhão
  • São Miguel do Iguaçu
  • Ibaiti
  • Goioerê
  • Mandirituba
  • Nova Esperança
  • Arapoti
  • Santa Helena
  • Astorga
  • Ubiratã
  • Reserva
  • Santa Terezinha de Itaipu
  • Ortigueira
  • Quatro Barras
  • Cruzeiro do Oeste
  • Santo Antônio do Sudoeste
  • Piraí do Sul
  • Coronel Vivida
  • Carambeí
  • Loanda
  • Cambará
  • Colorado
  • Siqueira Campos
  • Jandaia do Sul
  • Chopinzinho
  • Capanema
  • Tibagi
  • Andirá
  • Ampére
  • Realeza
  • Wenceslau Braz
  • Contenda
  • Cafelândia
  • Altônia
  • Matelândia
  • Quitandinha
  • Morretes
  • Terra Roxa
  • Antonina
  • Tijucas do Sul
  • Terra Boa
  • Corbélia
  • Sengés
  • Mangueirinha
  • Faxinal
  • Cerro Azul
  • Cruz Machado
  • Sertanópolis
  • Marmeleiro
  • Tapejara
  • Bituruna
  • Cândido de Abreu
  • Salto do Lontra
  • Clevelândia
  • Candói
  • Terra Rica
  • Bela Vista do Paraíso
  • Capitão Leônidas Marques
  • Rebouças
  • Ipiranga
  • Santa Izabel do Oeste
  • Rio Azul
  • Alto Paraná
  • Assaí
  • São João do Triunfo
  • Curiúva
  • Tamarana
  • Carlópolis
  • Paraíso do Norte
  • Ivaí
  • Araruna
  • Peabirú
  • Engenheiro Beltrão
  • Campina da Lagoa
  • Jaguapitã
  • Mallet
  • General Carneiro
  • Iporã
  • Manoel Ribas
  • Imbaú
  • Planalto
  • Cantagalo
  • Bocaiuva do Sul
  • Rio Bonito do Iguaçu
  • Balsa Nova
  • Nova Londrina
  • Piên
  • Turvo
  • Cidade Gaúcha
  • Mamborê
  • Ribeirão do Pinhal
  • Teixeira Soares
  • Palmital
  • Jataizinho
  • Porecatu
  • Querência do Norte
  • Guaraniaçu
  • Santa Fé
  • Itapejara d'Oeste
  • Ventania
  • Moreira Sales
  • Três Barras do Paraná
  • Joaquim Távora
  • Céu Azul
  • Santa Mariana
  • Paranacity
  • Nova Laranjeiras
  • Alvorada do Sul
  • Barbosa Ferraz
  • Itaipulândia
  • Pérola
  • Uraí
  • Jardim Alegre
  • Primeiro de Maio
  • São Jerônimo da Serra
  • Inácio Martins
  • São Pedro do Ivaí
  • Mauá da Serra
  • Centenário do Sul
  • Missal
  • Ribeirão Claro
  • Nova Prata do Iguaçu
  • Florestópolis
  • Mariluz
  • Barracão
  • Nova Aurora
  • São João
  • Catanduvas
  • Iretama
  • Santa Tereza do Oeste
  • São João do Ivaí
  • Alto Piquiri
  • Roncador
  • Rondon
  • Japurá
  • Agudos do Sul
  • Santa Maria do Oeste
  • São Jorge d'Oeste
  • Tunas do Paraná
  • Douradina
  • São Sebastião da Amoreira
  • Congonhinhas
  • Marilândia do Sul
  • Guamiranga
  • Califórnia
  • Tuneiras do Oeste
  • Santa Isabel do Ivaí
  • Vera Cruz do Oeste
  • Jesuítas
  • Nova Santa Rosa
  • Ivaté
  • Nova Fátima
  • Tupãssi
  • Reserva do Iguaçu
  • Campo do Tenente
  • Cambira
  • Tomazina
  • Icaraíma
  • Santa Cruz de Monte Castelo
  • Figueira
  • Guaraqueçaba
  • Boa Vista da Aparecida
  • Coronel Domingos Soares
  • Quatiguá
  • Antônio Olinto
  • Abatiá
  • Paulo Frontin
  • Juranda
  • Luiziana
  • Bom Sucesso
  • Verê
  • Marilena
  • Goioxim
  • Jussara
  • São Carlos do Ivaí
  • Sabáudia
  • Vitorino
  • Floresta
  • Renascença
  • Sapopema
  • Mariópolis
  • Guairaçá
  • Itambaracá
  • Amaporã
  • Ibema
  • Formosa do Oeste
  • Boa Ventura de São Roque
  • Pinhalão
  • Borrazópolis
  • Pérola d'Oeste
  • Perobal
  • São José da Boa Vista
  • Itambé
  • Ouro Verde do Oeste
  • Doutor Camargo
  • Francisco Alves
  • Paula Freitas
  • Enéas Marques
  • Nova Olímpia
  • São João do Caiuá
  • Adrianópolis
  • São Tomé
  • Pato Bragado
  • São Pedro do Iguaçu
  • Laranjal
  • Mercedes
  • Maria Helena
  • Xambrê
  • Saudade do Iguaçu
  • Maripá
  • Fernandes Pinheiro
  • Guaraci
  • São Jorge do Ivaí
  • São Jorge do Patrocínio
  • Doutor Ulysses
  • Tapira
  • Santo Inácio
  • Presidente Castelo Branco
  • Grandes Rios
  • Braganey
  • Jaboti
  • Diamante D'Oeste
  • Nova Tebas
  • Tamboara
  • Sertaneja
  • Pranchita
  • Honório Serpa
  • Nova Esperança do Sudoeste
  • Diamante do Norte
  • Lupionópolis
  • Janiópolis
  • Japira
  • Santana do Itararé
  • Porto Amazonas
  • Floraí
  • Salto do Itararé
  • Lobato
  • Nova Cantu
  • Fênix
  • Lunardelli
  • Marumbi
  • Entre Rios do Oeste
  • Rosário do Ivaí
  • Flor da Serra do Sul
  • Ramilândia
  • Lindoeste
  • Iguaraçu
  • Indianópolis
  • Foz do Jordão
  • Serranópolis do Iguaçu
  • Quinta do Sol
  • Cruzeiro do Sul
  • Itaguajé
  • Quarto Centenário
  • Nova Santa Bárbara
  • Marquinho
  • Planaltina do Paraná
  • Cruzeiro do Iguaçu
  • Rio Branco do Ivaí
  • Porto Vitória
  • Santa Mônica
  • Virmond
  • Quatro Pontes
  • Munhoz de Melo
  • Nossa Senhora das Graças
  • Kaloré
  • Boa Esperança
  • Espigão Alto do Iguaçu
  • Cafezal do Sul
  • Leópolis
  • Conselheiro Mairinck
  • Atalaia
  • Campina do Simão
  • Prado Ferreira
  • Santa Lúcia
  • Guapirama
  • Rancho Alegre
  • Campo Bonito
  • São José das Palmeiras
  • Bom Jesus do Sul
  • Nova América da Colina
  • Ourizona
  • Diamante do Sul
  • Bela Vista da Caroba
  • Salgado Filho
  • Ivatuba
  • Pitangueiras
  • Paranapoema
  • Santa Cecília do Pavão
  • Jundiaí do Sul
  • Bom Sucesso do Sul
  • Santa Amélia
  • Rio Bom
  • Lidianópolis
  • Mato Rico
  • Porto Barreiro
  • Inajá
  • Corumbataí do Sul
  • Farol
  • Cafeara
  • Arapuã
  • Ângulo
  • Cruzmaltina
  • Sulina
  • Godoy Moreira
  • Novo Itacolomi
  • Barra do Jacaré
  • Anahy
  • Pinhal de São Bento
  • Flórida
  • Itaúna do Sul
  • Alto Paraíso
  • Uniflor
  • Santo Antônio do Caiuá
  • Rancho Alegre D'Oeste
  • Porto Rico
  • Brasilândia do Sul
  • Manfrinópolis
  • Boa Esperança do Iguaçu
  • São Pedro do Paraná
  • Iguatu
  • Guaporema
  • Iracema do Oeste
  • Mirador
  • São Manoel do Paraná
  • Santo Antônio do Paraíso
  • Ariranha do Ivaí
  • Miraselva
  • Esperança Nova
  • Santa Inês
  • Altamira do Paraná
  • Jardim Olinda
  • Nova Aliança do Ivaí
  • Joinville
  • Florianópolis
  • Blumenau
  • São José
  • Itajaí
  • Chapecó
  • Palhoça
  • Criciúma
  • Jaraguá do Sul
  • Lages
  • Brusque
  • Balneário Camboriú
  • Tubarão
  • Camboriú
  • Navegantes
  • São Bento do Sul
  • Concórdia
  • Biguaçu
  • Itapema
  • Caçador
  • Rio do Sul
  • Gaspar
  • Araranguá
  • Indaial
  • Içara
  • Videira
  • Mafra
  • Canoinhas
  • São Francisco do Sul
  • Imbituba
  • Xanxerê
  • Tijucas
  • Guaramirim
  • Timbó
  • Barra Velha
  • Araquari
  • São Miguel do Oeste
  • Laguna
  • Curitibanos
  • Rio Negrinho
  • Campos Novos
  • Pomerode
  • Braço do Norte
  • Penha
  • Fraiburgo
  • Porto União
  • São João Batista
  • Xaxim
  • Forquilhinha
  • Itapoá
  • Joaçaba
  • Sombrio
  • Garopaba
  • Maravilha
  • Porto Belo
  • Santo Amaro da Imperatriz
  • Balneário Piçarras
  • Ituporanga
  • São Joaquim
  • Bombinhas
  • São Lourenço do Oeste
  • Guabiruba
  • Capivari de Baixo
  • Orleans
  • Capinzal
  • Itaiópolis
  • Pinhalzinho
  • Herval d'Oeste
  • Urussanga
  • Jaguaruna
  • Schroeder
  • Presidente Getúlio
  • Ibirama
  • Três Barras
  • Papanduva
  • Seara
  • Garuva
  • Morro da Fumaça
  • Taió
  • Abelardo Luz
  • Otacílio Costa
  • Cocal do Sul
  • Massaranduba
  • Pouso Redondo
  • Ilhota
  • Governador Celso Ramos
  • Itapiranga
  • Balneário Rincão
  • Balneário Arroio do Silva
  • Correia Pinto
  • Balneário Gaivota
  • Palmitos
  • Santa Cecília
  • Corupá
  • Dionísio Cerqueira
  • Balneário Barra do Sul
  • Lauro Müller
  • São José do Cedro
  • Nova Trento
  • Siderópolis
  • Nova Veneza
  • São Ludgero
  • Turvo
  • Passo de Torres
  • Sangão
  • Lontras
  • Canelinha
  • Rodeio
  • Campo Alegre
  • Gravatal
  • Imaruí
  • Luiz Alves
  • Lebon Régis
  • Antônio Carlos
  • Faxinal dos Guedes
  • Quilombo
  • Agrolândia
  • Cunha Porã
  • Rio dos Cedros
  • Urubici
  • Guaraciaba
  • Ponte Serrada
  • Jacinto Machado
  • Catanduvas
  • Benedito Novo
  • Alfredo Wagner
  • Coronel Freitas
  • Irineópolis
  • São Carlos
  • Saudades
  • Irani
  • Pescaria Brava
  • Mondaí
  • Apiúna
  • Santa Rosa do Sul
  • Campo Erê
  • Iporã do Oeste
  • São Domingos
  • Monte Carlo
  • Paulo Lopes
  • Armazém
  • Treze Tílias
  • São José do Cerrito
  • São João do Sul
  • Descanso
  • Guatambu
  • Bom Retiro
  • Ascurra
  • Anita Garibaldi
  • Praia Grande
  • Tangará
  • Santa Terezinha
  • Laurentino
  • Ipumirim
  • Maracajá
  • Rio do Oeste
  • Monte Castelo
  • Ipuaçu
  • Palma Sola
  • Salete
  • Major Vieira
  • Treze de Maio
  • Timbó Grande
  • Trombudo Central
  • Campo Belo do Sul
  • Itá
  • Ouro
  • Meleiro
  • Aurora
  • Águas Mornas
  • Petrolândia
  • Água Doce
  • Rio do Campo
  • Caibi
  • São João do Oeste
  • Grão-Pará
  • Rio das Antas
  • Vidal Ramos
  • São Cristóvão do Sul
  • Agronômica
  • Águas de Chapecó
  • José Boiteux
  • Imbuia
  • Anchieta
  • Bela Vista do Toldo
  • Luzerna
  • São Pedro de Alcântara
  • Piratuba
  • Timbé do Sul
  • Vitor Meireles
  • Botuverá
  • Angelina
  • Nova Erechim
  • Tunápolis
  • Erval Velho
  • Rio Fortuna
  • Guarujá do Sul
  • Romelândia
  • Cordilheira Alta
  • Riqueza
  • Caxambu do Sul
  • Ipira
  • Vargem Bonita
  • Lindóia do Sul
  • Nova Itaberaba
  • São João do Itaperiú
  • Ponte Alta
  • Salto Veloso
  • Arabutã
  • Jaborá
  • Paraíso
  • Witmarsum
  • Pedras Grandes
  • Dona Emma
  • Modelo
  • Passos Maia
  • Bom Jardim da Serra
  • Braço do Trombudo
  • Iraceminha
  • Zortéa
  • Treviso
  • Xavantina
  • Doutor Pedrinho
  • Vargeão
  • Saltinho
  • Anitápolis
  • Arroio Trinta
  • Bocaina do Sul
  • Pinheiro Preto
  • Calmon
  • São Martinho
  • Entre Rios
  • Leoberto Leal
  • Cerro Negro
  • Serra Alta
  • Rancho Queimado
  • Ibicaré
  • Atalanta
  • Major Gercino
  • Galvão
  • Ponte Alta do Norte
  • Bandeirante
  • Morro Grande
  • Peritiba
  • Princesa
  • Chapadão do Lageado
  • Planalto Alegre
  • São Bonifácio
  • Iomerê
  • Águas Frias
  • Sul Brasil
  • Celso Ramos
  • Bom Jesus
  • União do Oeste
  • Matos Costa
  • São Bernardino
  • Formosa do Sul
  • Belmonte
  • Urupema
  • Novo Horizonte
  • Vargem
  • Capão Alto
  • Abdon Batista
  • Santa Terezinha do Progresso
  • Palmeira
  • Jupiá
  • Mirim Doce
  • Arvoredo
  • Brunópolis
  • Santa Helena
  • Frei Rogério
  • Rio Rufino
  • Tigrinhos
  • Presidente Nereu
  • Ermo
  • Lacerdópolis
  • Painel
  • Bom Jesus do Oeste
  • Marema
  • Ouro Verde
  • Santa Rosa de Lima
  • Irati
  • Coronel Martins
  • Ibiam
  • Cunhataí
  • Paial
  • Alto Bela Vista
  • Flor do Sertão
  • São Miguel da Boa Vista
  • Macieira
  • Jardinópolis
  • Lajeado Grande
  • Presidente Castello Branco
  • Barra Bonita
  • Santiago do Sul
  • Porto Alegre
  • Caxias do Sul
  • Canoas
  • Pelotas
  • Santa Maria
  • Gravataí
  • Novo Hamburgo
  • Viamão
  • São Leopoldo
  • Passo Fundo
  • Rio Grande
  • Alvorada
  • Cachoeirinha
  • Santa Cruz do Sul
  • Sapucaia do Sul
  • Bento Gonçalves
  • Bagé
  • Uruguaiana
  • Erechim
  • Lajeado
  • Guaíba
  • Ijuí
  • Santana do Livramento
  • Cachoeira do Sul
  • Santa Rosa
  • Santo Ângelo
  • Esteio
  • Sapiranga
  • Alegrete
  • Farroupilha
  • Venâncio Aires
  • Vacaria
  • Montenegro
  • Capão da Canoa
  • Campo Bom
  • Camaquã
  • Carazinho
  • São Borja
  • Cruz Alta
  • São Gabriel
  • Tramandaí
  • Taquara
  • Parobé
  • Canguçu
  • Canela
  • Santiago
  • Estância Velha
  • Osório
  • Marau
  • Panambi
  • Santo Antônio da Patrulha
  • São Lourenço do Sul
  • Torres
  • Gramado
  • Eldorado do Sul
  • Dom Pedrito
  • Rosário do Sul
  • Itaqui
  • Charqueadas
  • São Luiz Gonzaga
  • Rio Pardo
  • Garibaldi
  • Portão
  • Palmeira das Missões
  • Igrejinha
  • Teutônia
  • Frederico Westphalen
  • Caçapava do Sul
  • Estrela
  • Santa Vitória do Palmar
  • Flores da Cunha
  • Dois Irmãos
  • Carlos Barbosa
  • Soledade
  • Nova Santa Rita
  • Candelária
  • Lagoa Vermelha
  • Triunfo
  • Imbé
  • Vera Cruz
  • Jaguarão
  • Capão do Leão
  • Nova Prata
  • São José do Norte
  • Três Passos
  • Guaporé
  • Taquari
  • Três de Maio
  • Tapejara
  • São Sebastião do Caí
  • Três Coroas
  • Veranópolis
  • Encruzilhada do Sul
  • Quaraí
  • Nova Petrópolis
  • Ivoti
  • Encantado
  • Sarandi
  • Arroio do Meio
  • São Francisco de Paula
  • Ibirubá
  • Rolante
  • São Sepé
  • São Marcos
  • São Jerônimo
  • Nova Hartz
  • Tupanciretã
  • Butiá
  • Horizontina
  • Júlio de Castilhos
  • Não-Me-Toque
  • São Francisco de Assis
  • Arroio Grande
  • Piratini
  • Cidreira
  • Serafina Corrêa
  • Getúlio Vargas
  • Xangri-lá
  • Sananduva
  • Agudo
  • Giruá
  • São Pedro do Sul
  • Santo Cristo
  • Espumoso
  • Balneário Pinhal
  • Restinga Sêca
  • Tapes
  • Arroio dos Ratos
  • Tenente Portela
  • Sobradinho
  • Santo Augusto
  • Feliz
  • Nonoai
  • Cerro Largo
  • Bom Princípio
  • Dom Feliciano
  • Antônio Prado
  • Crissiumal
  • Palmares do Sul
  • Bom Retiro do Sul
  • Barra do Ribeiro
  • Mostardas
  • Arroio do Tigre
  • Seberi
  • Cruzeiro do Sul
  • Pinheiro Machado
  • Bom Jesus
  • Capela de Santana
  • Cacequi
  • Arroio do Sal
  • Três Cachoeiras
  • Candiota
  • Tapera
  • Jaguari
  • Roca Sales
  • Planalto
  • Constantina
  • Arvorezinha
  • Santo Antônio das Missões
  • Terra de Areia
  • Pantano Grande
  • Salto do Jacuí
  • Porto Xavier
  • Ronda Alta
  • Redentora
  • Nova Bassano
  • Vale do Sol
  • Fontoura Xavier
  • Chapada
  • Casca
  • Barros Cassal
  • Cerro Grande do Sul
  • Entre-Ijuís
  • Catuípe
  • Sinimbu
  • Araricá
  • Tuparendi
  • Santa Bárbara do Sul
  • São Vicente do Sul
  • Paverama
  • Palmitinho
  • Glorinha
  • Ametista do Sul
  • General Câmara
  • Trindade do Sul
  • Minas do Leão
  • Pedro Osório
  • Iraí
  • Maquiné
  • Guarani das Missões
  • Caraá
  • Cristal
  • Paraí
  • Jóia
  • Lavras do Sul
  • Augusto Pestana
  • Barão de Cotegipe
  • Alpestre
  • São Miguel das Missões
  • Santana da Boa Vista
  • Boa Vista do Buricá
  • Santa Clara do Sul
  • Salvador do Sul
  • São José do Ouro
  • Manoel Viana
  • Erval Seco
  • Ibiraiaras
  • Ajuricaba
  • Faxinal do Soturno
  • Rodeio Bonito
  • Roque Gonzales
  • Paraíso do Sul
  • Aratiba
  • Barão
  • Independência
  • Formigueiro
  • Condor
  • Cambará do Sul
  • Santa Maria do Herval
  • Cândido Godói
  • Chuí
  • Boqueirão do Leão
  • Lindolfo Collor
  • Herval
  • Coronel Bicaco
  • Alecrim
  • Vale Real
  • Morro Redondo
  • Morro Reuter
  • Passo do Sobrado
  • Segredo
  • Hulha Negra
  • Anta Gorda
  • Bossoroca
  • Barão do Triunfo
  • Campina das Missões
  • Sertão Santana
  • São Paulo das Missões
  • Cerrito
  • Machadinho
  • Gaurama
  • Nova Palma
  • Estação
  • Itaara
  • Tucunduva
  • Sertão
  • São Martinho
  • Harmonia
  • Picada Café
  • Lagoão
  • Progresso
  • Ipê
  • Amaral Ferrador
  • Sentinela do Sul
  • Campinas do Sul
  • Tavares
  • Tiradentes do Sul
  • São Nicolau
  • Selbach
  • Tupandi
  • Rondinha
  • Campo Novo
  • Brochier
  • Nova Araçá
  • Erval Grande
  • Nova Esperança do Sul
  • Mato Leitão
  • Caiçara
  • Barracão
  • Liberato Salzano
  • Viadutos
  • Três Palmeiras
  • Caibaté
  • Mata
  • Humaitá
  • Vicente Dutra
  • Cacique Doble
  • Muçum
  • Chuvisca
  • Pinheirinho do Vale
  • Ibiaçá
  • Fortaleza dos Valos
  • Riozinho
  • Doutor Maurício Cardoso
  • São João da Urtiga
  • Tabaí
  • São José do Hortêncio
  • Miraguaí
  • Maçambará
  • Vila Maria
  • Porto Lucena
  • David Canabarro
  • Marcelino Ramos
  • Pareci Novo
  • Fazenda Vilanova
  • Novo Barreiro
  • Barra do Quaraí
  • Maximiliano de Almeida
  • São José dos Ausentes
  • Aceguá
  • Ilópolis
  • Ciríaco
  • Arambaré
  • Capivari do Sul
  • Passa-Sete
  • Marques de Souza
  • Mariana Pimentel
  • Chiapetta
  • Água Santa
  • Quinze de Novembro
  • Vila Nova do Sul
  • Cotiporã
  • Pinhal Grande
  • Cerro Branco
  • Jaboticaba
  • Putinga
  • Pejuçara
  • Ibarama
  • Ibirapuitã
  • Jaquirana
  • Tunas
  • Alegria
  • Vila Flores
  • Paim Filho
  • Campos Borges
  • Novo Cabrais
  • São Pedro da Serra
  • Nova Roma do Sul
  • Turuçu
  • Severiano de Almeida
  • Áurea
  • Jari
  • Jacutinga
  • Gramado Xavier
  • Pontão
  • Braga
  • Tio Hugo
  • São Valentim
  • Vitória das Missões
  • Colorado
  • Campestre da Serra
  • Esperança do Sul
  • Itatiba do Sul
  • Novo Machado
  • Esmeralda
  • Monte Alegre dos Campos
  • Nova Alvorada
  • Barra do Guarita
  • Vale Verde
  • Mampituba
  • Capão do Cipó
  • Taquaruçu do Sul
  • Westfália
  • Dois Lajeados
  • Imigrante
  • Dona Francisca
  • Presidente Lucena
  • Alto Feliz
  • Morrinhos do Sul
  • Estrela Velha
  • São Pedro do Butiá
  • Nova Candelária
  • Erebango
  • Nova Bréscia
  • Ernestina
  • Caseiros
  • Itacurubi
  • Camargo
  • Pinhal
  • Capitão
  • São Jorge
  • Muitos Capões
  • Salvador das Missões
  • Rio dos Índios
  • Coronel Barros
  • São Martinho da Serra
  • Dilermando de Aguiar
  • Vista Gaúcha
  • Victor Graeff
  • Boa Vista do Sul
  • Charrua
  • Três Forquilhas
  • Mormaço
  • São Domingos do Sul
  • Derrubadas
  • Pinto Bandeira
  • Centenário
  • Sede Nova
  • Cristal do Sul
  • Garruchos
  • Entre Rios do Sul
  • Senador Salgado Filho
  • Coxilha
  • Vista Alegre
  • São João do Polêsine
  • Itati
  • Eugênio de Castro
  • Lajeado do Bugre
  • Arroio do Padre
  • Santa Margarida do Sul
  • Três Arroios
  • Saldanha Marinho
  • Fagundes Varela
  • Dom Pedro de Alcântara
  • Monte Belo do Sul
  • Toropi
  • Mato Castelhano
  • São Valério do Sul
  • Herveiras
  • Faxinalzinho
  • Dezesseis de Novembro
  • Quevedos
  • Barra Funda
  • Sagrada Família
  • Maratá
  • Colinas
  • São José do Inhacorá
  • Forquetinha
  • Cerro Grande
  • São José das Missões
  • Santo Expedito do Sul
  • Nova Pádua
  • Rolador
  • São José do Sul
  • Boa Vista do Incra
  • Pirapó
  • Lagoa Bonita do Sul
  • São Vendelino
  • Pinhal da Serra
  • Boa Vista do Cadeado
  • Coqueiros do Sul
  • São Valentim do Sul
  • Poço das Antas
  • Nova Ramada
  • Travesseiro
  • Bozano
  • Silveira Martins
  • Novo Tiradentes
  • Paulo Bento
  • Porto Mauá
  • Bom Progresso
  • Santo Antônio do Palma
  • Dois Irmãos das Missões
  • Santo Antônio do Planalto
  • Benjamin Constant do Sul
  • Vila Lângaro
  • Pedras Altas
  • Nova Boa Vista
  • Jacuizinho
  • Protásio Alves
  • Gramado dos Loureiros
  • Inhacorá
  • Vanini
  • Unistalda
  • Ubiretama
  • Almirante Tamandaré do Sul
  • Sério
  • Itapuca
  • Boa Vista das Missões
  • Nicolau Vergueiro
  • Ivorá
  • São José do Herval
  • Doutor Ricardo
  • Mariano Moro
  • Sete de Setembro
  • Vespasiano Corrêa
  • Alto Alegre
  • Relvado
  • Mato Queimado
  • São Pedro das Missões
  • Gentil
  • Pouso Novo
  • Lagoa dos Três Cantos
  • Capão Bonito do Sul
  • Muliterno
  • Ipiranga do Sul
  • Barra do Rio Azul
  • Linha Nova
  • Santa Cecília do Sul
  • Floriano Peixoto
  • Canudos do Vale
  • Novo Xingu
  • Cruzaltense
  • Coronel Pilar
  • Vista Alegre do Prata
  • Ponte Preta
  • Porto Vera Cruz
  • Quatro Irmãos
  • Santa Tereza
  • Montauri
  • Guabiju
  • Tupanci do Sul
  • Carlos Gomes
  • Engenho Velho
  • Coqueiro Baixo
  • União da Serra
  • André da Rocha
  • Recife
  • Jaboatão dos Guararapes
  • Olinda
  • Caruaru
  • Petrolina
  • Paulista
  • Cabo de Santo Agostinho
  • Camaragibe
  • Garanhuns
  • Vitória de Santo Antão
  • Igarassu
  • São Lourenço da Mata
  • Santa Cruz do Capibaribe
  • Abreu e Lima
  • Ipojuca
  • Serra Talhada
  • Araripina
  • Gravatá
  • Carpina
  • Goiana
  • Belo Jardim
  • Arcoverde
  • Ouricuri
  • Escada
  • Pesqueira
  • Surubim
  • Palmares
  • Moreno
  • Salgueiro
  • Bezerros
  • São Bento do Una
  • Buíque
  • Paudalho
  • Limoeiro
  • Timbaúba
  • Brejo da Madre de Deus
  • Bom Conselho
  • Ribeirão
  • Sirinhaém
  • Toritama
  • Águas Belas
  • Catende
  • Barreiros
  • Santa Maria da Boa Vista
  • Lajedo
  • Bom Jardim
  • Aliança
  • Bodocó
  • Bonito
  • Afogados da Ingazeira
  • São Caitano
  • Custódia
  • Água Preta
  • Itambé
  • Petrolândia
  • Sertânia
  • Cabrobó
  • São José do Belmonte
  • São José do Egito
  • João Alfredo
  • Floresta
  • Vicência
  • Nazaré da Mata
  • Exu
  • Gameleira
  • Ipubi
  • Glória do Goitá
  • Trindade
  • Ibimirim
  • Passira
  • Taquaritinga do Norte
  • Caetés
  • Tabira
  • Tupanatinga
  • Pombos
  • Itapissuma
  • Panelas
  • Itaíba
  • Sanharó
  • Condado
  • Ilha de Itamaracá
  • Quipapá
  • Tacaratu
  • Lagoa Grande
  • Macaparana
  • Agrestina
  • Canhotinho
  • Cupira
  • Orobó
  • Rio Formoso
  • Tamandaré
  • Inajá
  • Altinho
  • Amaraji
  • São João
  • Flores
  • Pedra
  • Feira Nova
  • Parnamirim
  • Chã Grande
  • Manari
  • Lagoa de Itaenga
  • São Joaquim do Monte
  • São José da Coroa Grande
  • Vertentes
  • Belém do São Francisco
  • Riacho das Almas
  • Araçoiaba
  • Cachoeirinha
  • Capoeiras
  • Afrânio
  • Carnaíba
  • Iati
  • Serrita
  • Dormentes
  • Camocim de São Félix
  • Venturosa
  • Correntes
  • Lagoa do Carro
  • São Vicente Ferrer
  • Jataúba
  • Itaquitinga
  • Lagoa dos Gatos
  • Machados
  • Joaquim Nabuco
  • São Benedito do Sul
  • Saloá
  • Frei Miguelinho
  • Santa Cruz
  • Mirandiba
  • Jurema
  • Triunfo
  • Primavera
  • Orocó
  • Jupi
  • Jatobá
  • Xexéu
  • Alagoinha
  • Santa Filomena
  • Barra de Guabiraba
  • Casinhas
  • Santa Maria do Cambucá
  • Tracunhaém
  • Itapetim
  • Chã de Alegria
  • Buenos Aires
  • Lagoa do Ouro
  • Carnaubeira da Penha
  • Tacaimbó
  • Betânia
  • Santa Cruz da Baixa Verde
  • Cortês
  • Iguaracy
  • Ferreiros
  • Belém de Maria
  • Santa Terezinha
  • Cedro
  • Jaqueira
  • Paranatama
  • Maraial
  • Jucati
  • Poção
  • Moreilândia
  • Calçado
  • Angelim
  • Salgadinho
  • Cumaru
  • Terra Nova
  • Sairé
  • Verdejante
  • Brejão
  • Camutanga
  • Tuparetama
  • Ibirajuba
  • Palmeirina
  • Vertente do Lério
  • Brejinho
  • Granito
  • Terezinha
  • Quixaba
  • Solidão
  • Calumbi
  • Itacuruba
  • Ingazeira
  • Fernando de Noronha
  • Salvador
  • Feira de Santana
  • Vitória da Conquista
  • Camaçari
  • Juazeiro
  • Lauro de Freitas
  • Itabuna
  • Ilhéus
  • Porto Seguro
  • Barreiras
  • Jequié
  • Alagoinhas
  • Teixeira de Freitas
  • Simões Filho
  • Eunápolis
  • Paulo Afonso
  • Luís Eduardo Magalhães
  • Santo Antônio de Jesus
  • Guanambi
  • Valença
  • Jacobina
  • Serrinha
  • Irecê
  • Senhor do Bonfim
  • Candeias
  • Casa Nova
  • Dias d'Ávila
  • Campo Formoso
  • Brumado
  • Conceição do Coité
  • Itapetinga
  • Bom Jesus da Lapa
  • Itaberaba
  • Euclides da Cunha
  • Cruz das Almas
  • Itamaraju
  • Ipirá
  • Santo Amaro
  • Ribeira do Pombal
  • Santo Estêvão
  • Caetité
  • Barra
  • Tucano
  • Poções
  • Catu
  • Araci
  • Monte Santo
  • Seabra
  • Jaguaquara
  • Xique-Xique
  • Livramento de Nossa Senhora
  • Vera Cruz
  • Mata de São João
  • Macaúbas
  • São Sebastião do Passé
  • Ipiaú
  • Remanso
  • São Gonçalo dos Campos
  • Nova Viçosa
  • Santa Maria da Vitória
  • Sento Sé
  • Entre Rios
  • Mucuri
  • Santaluz
  • São Francisco do Conde
  • Jeremoabo
  • Cansanção
  • Barra do Choça
  • Amargosa
  • Maragogipe
  • Rio Real
  • Pilão Arcado
  • Conceição do Jacuípe
  • Prado
  • Serra do Ramalho
  • Curaçá
  • Itiúba
  • Inhambupe
  • Morro do Chapéu
  • Riachão do Jacuípe
  • Capim Grosso
  • São Desidério
  • Jaguarari
  • Canavieiras
  • Esplanada
  • Correntina
  • Gandu
  • Pojuca
  • Itapicuru
  • Cícero Dantas
  • Riacho de Santana
  • Campo Alegre de Lourdes
  • Camamu
  • Paratinga
  • Cachoeira
  • Santa Cruz Cabrália
  • Carinhanha
  • Muritiba
  • Ruy Barbosa
  • Itabela
  • Irará
  • Presidente Tancredo Neves
  • Itacaré
  • Maracás
  • Santa Rita de Cássia
  • Nazaré
  • Coração de Maria
  • Paripiranga
  • Ibotirama
  • Barra da Estiva
  • Queimadas
  • Formosa do Rio Preto
  • Lapão
  • Sobradinho
  • Anagé
  • Ibirapitanga
  • Quijingue
  • Cândido Sales
  • João Dourado
  • Santana
  • Castro Alves
  • Uauá
  • Miguel Calmon
  • Iaçu
  • Maraú
  • Alcobaça
  • Wenceslau Guimarães
  • Itambé
  • Valente
  • Nova Soure
  • Canarana
  • Amélia Rodrigues
  • Iraquara
  • Conde
  • Planalto
  • Olindina
  • Camacan
  • Caculé
  • Medeiros Neto
  • Ituberá
  • Ibicaraí
  • Riachão das Neves
  • Macarani
  • Uruçuca
  • Iguaí
  • Teofilândia
  • Laje
  • Tanhaçu
  • Santa Bárbara
  • Conceição da Feira
  • Ibicoara
  • Oliveira dos Brejinhos
  • Governador Mangabeira
  • Caravelas
  • Paramirim
  • São Felipe
  • Belmonte
  • Piatã
  • Palmas de Monte Alto
  • Mutuípe
  • Itaparica
  • Crisópolis
  • Rafael Jambeiro
  • Buritirama
  • Boquira
  • Ourolândia
  • Cocos
  • Encruzilhada
  • Pindobaçu
  • Guaratinga
  • Ibirataia
  • Itajuípe
  • Ubaíra
  • São Gabriel
  • Madre de Deus
  • Belo Campo
  • Nordestina
  • Baixa Grande
  • Una
  • Taperoá
  • Serra Preta
  • Sapeaçu
  • Ponto Novo
  • Ituaçu
  • Filadélfia
  • Fátima
  • Itanhém
  • Cairu
  • Mairi
  • Jaguaripe
  • Abaré
  • Ubaitaba
  • Piritiba
  • Cafarnaum
  • Coaraci
  • Mundo Novo
  • Cipó
  • Tanque Novo
  • Serra Dourada
  • Souto Soares
  • Coronel João Sá
  • Condeúba
  • Itarantim
  • Ibititá
  • Boa Vista do Tupim
  • Itororó
  • Ibipeba
  • Cabaceiras do Paraguaçu
  • Jussara
  • Central
  • Tremedal
  • Utinga
  • Ubatã
  • Canudos
  • Sátiro Dias
  • Aporá
  • Bonito
  • Tapiramutá
  • Conceição do Almeida
  • Itatim
  • Mirangaba
  • Igaporã
  • Glória
  • Malhada
  • Urandi
  • Teolândia
  • Itagibá
  • Barrocas
  • São Félix do Coribe
  • Biritinga
  • América Dourada
  • Presidente Dutra
  • Andorinha
  • Salinas da Margarida
  • Santa Brígida
  • Buerarema
  • Sítio do Quinto
  • Pindaí
  • Ibitiara
  • Água Fria
  • Jacaraci
  • Jitaúna
  • Antas
  • Adustina
  • Lagoa Real
  • Cristópolis
  • Coribe
  • Pedro Alexandre
  • Aracatu
  • Ibicuí
  • Mansidão
  • Ibipitanga
  • Manoel Vitorino
  • Ribeira do Amparo
  • Barra do Mendes
  • Itagi
  • Várzea da Roça
  • Acajutiba
  • Santa Luzia
  • Angical
  • Nova Canaã
  • Ipecaetá
  • Boa Nova
  • Retirolândia
  • Umburanas
  • Jiquiriçá
  • Boninal
  • Baianópolis
  • Mascote
  • Itaeté
  • Barro Alto
  • Uibaí
  • Sítio do Mato
  • Várzea Nova
  • Serrolândia
  • Pé de Serra
  • Rio de Contas
  • Mulungu do Morro
  • Igrapiúna
  • Rio do Antônio
  • Andaraí
  • Caldeirão Grande
  • Cotegipe
  • Candiba
  • Wanderley
  • Brejões
  • Presidente Jânio Quadros
  • Itaguaçu da Bahia
  • Heliópolis
  • Mucugê
  • Nilo Peçanha
  • Tabocas do Brejo Velho
  • Banzaê
  • Dom Basílio
  • Licínio de Almeida
  • Brotas de Macaúbas
  • Araçás
  • Saubara
  • Caetanos
  • Aurelino Leal
  • Novo Horizonte
  • Antônio Cardoso
  • Mortugaba
  • Iuiu
  • Milagres
  • Floresta Azul
  • Anguera
  • São Félix
  • Botuporã
  • Itiruçu
  • Piraí do Norte
  • Gentio do Ouro
  • Antônio Gonçalves
  • Dário Meira
  • Terra Nova
  • Lençóis
  • Iramaia
  • Capela do Alto Alegre
  • Novo Triunfo
  • Érico Cardoso
  • Chorrochó
  • Rio do Pires
  • Saúde
  • Macajuba
  • Muquém do São Francisco
  • Santa Teresinha
  • Ibiassucê
  • Caém
  • Itapé
  • Palmeiras
  • São Miguel das Matas
  • Matina
  • Pintadas
  • Rodelas
  • Santa Inês
  • Itapitanga
  • Potiraguá
  • Canápolis
  • Arataca
  • Mirante
  • São José do Jacuípe
  • Caraíbas
  • Ipupiara
  • Varzedo
  • Aramari
  • Ribeirão do Largo
  • Bom Jesus da Serra
  • Jucuruçu
  • Wagner
  • Quixabeira
  • Pau Brasil
  • Sebastião Laranjeiras
  • Jandaíra
  • Jaborandi
  • Marcionílio Souza
  • Itapebi
  • Piripá
  • Brejolândia
  • Ibirapuã
  • Caturama
  • Lamarão
  • Maiquinique
  • Santanópolis
  • Aratuípe
  • Malhada de Pedras
  • São Domingos
  • Cardeal da Silva
  • Itaquara
  • Várzea do Poço
  • Guajeru
  • Planaltino
  • Morpará
  • Nova Fátima
  • Elísio Medrado
  • Nova Itarana
  • Candeal
  • Tanquinho
  • Ouriçangas
  • Cordeiros
  • Nova Redenção
  • Lajedo do Tabocal
  • Jussiape
  • Abaíra
  • Macururé
  • Muniz Ferreira
  • Teodoro Sampaio
  • Itamari
  • Maetinga
  • Apuarema
  • Nova Ibiá
  • Itagimirim
  • Pedrão
  • Caatiba
  • Ichu
  • Irajuba
  • Itaju do Colônia
  • Vereda
  • Itanagra
  • Jussari
  • Barra do Rocha
  • Feira da Mata
  • Barro Preto
  • Gongogi
  • São José da Vitória
  • Almadina
  • Firmino Alves
  • Santa Cruz da Vitória
  • Aiquara
  • Cravolândia
  • Dom Macedo Costa
  • Gavião
  • Contendas do Sincorá
  • Lafaiete Coutinho
  • Lajedão
  • Ibiquera
  • Lajedinho
  • Catolândia
  • Fortaleza
  • Caucaia
  • Juazeiro do Norte
  • Maracanaú
  • Sobral
  • Itapipoca
  • Crato
  • Maranguape
  • Iguatu
  • Quixadá
  • Quixeramobim
  • Tianguá
  • Pacatuba
  • Aquiraz
  • Crateús
  • Aracati
  • Barbalha
  • Horizonte
  • Canindé
  • Eusébio
  • Russas
  • Cascavel
  • Pacajus
  • Acaraú
  • Itaitinga
  • Icó
  • Camocim
  • Tauá
  • Morada Nova
  • Viçosa do Ceará
  • Limoeiro do Norte
  • Trairi
  • São Gonçalo do Amarante
  • Granja
  • Beberibe
  • Brejo Santo
  • Boa Viagem
  • São Benedito
  • Itapajé
  • Mauriti
  • Acopiara
  • Itarema
  • Amontada
  • Guaraciaba do Norte
  • Ipu
  • Pedra Branca
  • Santa Quitéria
  • Várzea Alegre
  • Paracuru
  • Pentecoste
  • Mombaça
  • Massapê
  • Missão Velha
  • Ipueiras
  • Baturité
  • Jaguaribe
  • Bela Cruz
  • Ubajara
  • Paraipaba
  • Jaguaruana
  • Parambu
  • Lavras da Mangabeira
  • Nova Russas
  • Tabuleiro do Norte
  • Santana do Acaraú
  • Cruz
  • Novo Oriente
  • Jardim
  • Redenção
  • Caririaçu
  • Milagres
  • Marco
  • Jijoca de Jericoacoara
  • Aracoiaba
  • Campos Sales
  • Tamboril
  • Ocara
  • Senador Pompeu
  • Guaiúba
  • Forquilha
  • Independência
  • Ibiapina
  • Jucás
  • Irauçuba
  • Aurora
  • Pindoretama
  • Morrinhos
  • Barreira
  • Cedro
  • Assaré
  • Icapuí
  • Coreaú
  • Quixeré
  • Itatira
  • Quiterianópolis
  • Uruburetama
  • Chorozinho
  • Araripe
  • Orós
  • Barro
  • Reriutaba
  • Farias Brito
  • Solonópole
  • Varjota
  • Hidrolândia
  • Itapiúna
  • Cariré
  • Croatá
  • Umirim
  • Fortim
  • Capistrano
  • Jaguaretama
  • Carnaubal
  • Banabuiú
  • Tejuçuoca
  • Monsenhor Tabosa
  • Porteiras
  • Cariús
  • Santana do Cariri
  • Madalena
  • Salitre
  • Piquet Caneiro
  • Caridade
  • Quixelô
  • Frecheirinha
  • Tururu
  • Nova Olinda
  • Pereiro
  • Meruoca
  • Barroquinha
  • Miraíma
  • Alto Santo
  • Aiuaba
  • Acarape
  • Iracema
  • Milhã
  • Saboeiro
  • Graça
  • Uruoca
  • Mucambo
  • Apuiarés
  • Chaval
  • Choró
  • Ipaumirim
  • Poranga
  • Ibaretama
  • Ibicuitinga
  • Ipaporanga
  • Alcântaras
  • Aratuba
  • Pacoti
  • Ararendá
  • Groaíras
  • São Luís do Curu
  • Martinópole
  • Pires Ferreira
  • Mulungu
  • Catunda
  • Paramoti
  • Jaguaribara
  • Catarina
  • Palmácia
  • Abaiara
  • Palhano
  • Penaforte
  • Deputado Irapuan Pinheiro
  • Potengi
  • Moraújo
  • Jati
  • Itaiçaba
  • Tarrafas
  • Arneiroz
  • Senador Sá
  • Antonina do Norte
  • Umari
  • Altaneira
  • General Sampaio
  • Ereré
  • Pacujá
  • Potiretama
  • São João do Jaguaribe
  • Baixio
  • Guaramiranga
  • Granjeiro
  • Goiânia
  • Aparecida de Goiânia
  • Anápolis
  • Rio Verde
  • Águas Lindas de Goiás
  • Luziânia
  • Valparaíso de Goiás
  • Senador Canedo
  • Trindade
  • Formosa
  • Catalão
  • Itumbiara
  • Planaltina
  • Jataí
  • Novo Gama
  • Caldas Novas
  • Cidade Ocidental
  • Goianésia
  • Santo Antônio do Descoberto
  • Goianira
  • Mineiros
  • Cristalina
  • Inhumas
  • Morrinhos
  • Quirinópolis
  • Jaraguá
  • Itaberaí
  • Porangatu
  • Uruaçu
  • Santa Helena de Goiás
  • Iporá
  • Goiatuba
  • Padre Bernardo
  • Niquelândia
  • Posse
  • Bela Vista de Goiás
  • São Luís de Montes Belos
  • Pires do Rio
  • Nerópolis
  • Palmeiras de Goiás
  • Hidrolândia
  • Minaçu
  • Alexânia
  • Pirenópolis
  • Itapuranga
  • Ipameri
  • Cocalzinho de Goiás
  • Piracanjuba
  • Goiás
  • Bom Jesus de Goiás
  • Silvânia
  • Ceres
  • São Miguel do Araguaia
  • Acreúna
  • Itapaci
  • Rubiataba
  • Jussara
  • Guapó
  • Abadia de Goiás
  • Anicuns
  • Aragarças
  • Pontalina
  • Campos Belos
  • Abadiânia
  • Crixás
  • Indiara
  • São Simão
  • Caiapônia
  • Orizona
  • Vianópolis
  • Mozarlândia
  • São João d'Aliança
  • Goianápolis
  • Caçu
  • Flores de Goiás
  • Uruana
  • Chapadão do Céu
  • Nova Crixás
  • Montividiu
  • Campinorte
  • Rialma
  • Aragoiânia
  • Edéia
  • Piranhas
  • Cachoeira Alta
  • Mara Rosa
  • Paraúna
  • Santa Terezinha de Goiás
  • Iaciara
  • Buriti Alegre
  • Barro Alto
  • Alto Paraíso de Goiás
  • Bonfinópolis
  • Cavalcante
  • Firminópolis
  • Corumbá de Goiás
  • São Domingos
  • Maurilândia
  • Montes Claros de Goiás
  • Paranaiguara
  • Carmo do Rio Verde
  • Nazário
  • Nova Veneza
  • Petrolina de Goiás
  • Leopoldo de Bulhões
  • Vicentinópolis
  • Corumbaíba
  • Itauçu
  • Alvorada do Norte
  • Nova Glória
  • Sanclerlândia
  • Serranópolis
  • Mambaí
  • Aruanã
  • Campo Limpo de Goiás
  • Itapirapuã
  • Terezópolis de Goiás
  • Cezarina
  • Bom Jardim de Goiás
  • Cachoeira Dourada
  • Santo Antônio de Goiás
  • Campo Alegre de Goiás
  • Cabeceiras
  • Santa Rita do Araguaia
  • Ouvidor
  • Joviânia
  • Faina
  • Itarumã
  • Araguapaz
  • Doverlândia
  • Monte Alegre de Goiás
  • Jandaia
  • Mundo Novo
  • Santa Bárbara de Goiás
  • Alto Horizonte
  • Britânia
  • Inaciolândia
  • Fazenda Nova
  • Simolândia
  • Vila Propício
  • Água Fria de Goiás
  • Caturaí
  • Gouvelândia
  • Goiandira
  • Santa Fé de Goiás
  • São Luiz do Norte
  • Itaguari
  • Americano do Brasil
  • Itaguaru
  • Hidrolina
  • Turvelândia
  • Mossâmedes
  • Formoso
  • Itajá
  • Turvânia
  • Caldazinha
  • Campos Verdes
  • Divinópolis de Goiás
  • Santo Antônio da Barra
  • São Miguel do Passa-Quatro
  • Porteirão
  • Aporé
  • Ouro Verde de Goiás
  • Matrinchã
  • Taquaral de Goiás
  • Guarani de Goiás
  • Brazabrantes
  • Rianápolis
  • Colinas do Sul
  • Rio Quente
  • Cromínia
  • Edealina
  • Uirapuru
  • Araçu
  • Palminópolis
  • Amaralina
  • Damianópolis
  • Campestre de Goiás
  • Varjão
  • Campinaçu
  • Novo Planalto
  • Vila Boa
  • Cristianópolis
  • Montividiu do Norte
  • Mutunópolis
  • Santa Isabel
  • Palestina de Goiás
  • Gameleira de Goiás
  • Aurilândia
  • Baliza
  • Professor Jamil
  • Santa Tereza de Goiás
  • Portelândia
  • Estrela do Norte
  • Perolândia
  • Bonópolis
  • Heitoraí
  • Trombas
  • Urutaí
  • Buritinópolis
  • Santa Cruz de Goiás
  • Nova Roma
  • Nova Iguaçu de Goiás
  • Amorinópolis
  • Castelândia
  • Panamá
  • Arenópolis
  • Santa Rita do Novo Destino
  • Sítio d'Abadia
  • Jaupaci
  • Aparecida do Rio Doce
  • Cumari
  • Ipiranga de Goiás
  • Três Ranchos
  • Santa Rosa de Goiás
  • Damolândia
  • Buriti de Goiás
  • Teresina de Goiás
  • Marzagão
  • Ivolândia
  • Mimoso de Goiás
  • Israelândia
  • Mairipotaba
  • Avelinópolis
  • Morro Agudo de Goiás
  • Córrego do Ouro
  • Adelândia
  • Pilar de Goiás
  • Palmelo
  • Nova América
  • Guaraíta
  • Guarinos
  • São Patrício
  • Jesúpolis
  • Nova Aurora
  • Diorama
  • São João da Paraúna
  • Aloândia
  • Água Limpa
  • Davinópolis
  • Moiporá
  • Lagoa Santa
  • Cachoeira de Goiás
  • Anhanguera
  • Ceilândia
  • Samambaia
  • Plano Piloto
  • Taguatinga
  • Planaltina
  • Guará
  • Gama
  • Recanto das Emas
  • Santa Maria
  • Águas Claras
  • São Sebastião
  • Riacho Fundo II
  • Sol Nascente/Pôr do Sol
  • Sobradinho II
  • Sobradinho
  • Vicente Pires
  • Paranoá
  • Itapoã
  • Sudoeste/Octogonal
  • Brazlândia
  • Jardim Botânico
  • Riacho Fundo
  • Arniqueira
  • Lago Norte
  • SCIA
  • Cruzeiro
  • Lago Sul
  • Núcleo Bandeirante
  • Park Way
  • Candangolândia
  • Varjão
  • Fercal
  • SIA
  • Manaus
  • Itacoatiara
  • Manacapuru
  • Parintins
  • Tefé
  • Coari
  • Tabatinga
  • Maués
  • Iranduba
  • Humaitá
  • Manicoré
  • São Gabriel da Cachoeira
  • Lábrea
  • Autazes
  • Benjamin Constant
  • Boca do Acre
  • Eirunepé
  • Borba
  • São Paulo de Olivença
  • Barreirinha
  • Careiro
  • Presidente Figueiredo
  • Carauari
  • Santo Antônio do Içá
  • Nova Olinda do Norte
  • Fonte Boa
  • Jutaí
  • Rio Preto da Eva
  • Ipixuna
  • Urucurituba
  • Novo Aripuanã
  • Boa Vista do Ramos
  • Codajás
  • Beruri
  • Apuí
  • Nhamundá
  • Careiro da Várzea
  • Tapauá
  • Pauini
  • Tonantins
  • Barcelos
  • Urucará
  • Anori
  • Envira
  • Manaquiri
  • Canutama
  • Alvarães
  • Novo Airão
  • Maraã
  • Atalaia do Norte
  • Uarini
  • Santa Isabel do Rio Negro
  • Guajará
  • Caapiranga
  • São Sebastião do Uatumã
  • Silves
  • Itamarati
  • Amaturá
  • Juruá
  • Itapiranga
  • Anamã
  • Japurá
  • Belém
  • Ananindeua
  • Santarém
  • Parauapebas
  • Marabá
  • Castanhal
  • Abaetetuba
  • Cametá
  • Barcarena
  • Altamira
  • Itaituba
  • Bragança
  • Marituba
  • Breves
  • Paragominas
  • Tucuruí
  • Redenção
  • Moju
  • Canaã dos Carajás
  • Santa Izabel do Pará
  • Tailândia
  • Capanema
  • Alenquer
  • Oriximiná
  • Tomé-Açu
  • São Félix do Xingu
  • Igarapé-Miri
  • Benevides
  • Portel
  • Novo Repartimento
  • Monte Alegre
  • Acará
  • Viseu
  • Dom Eliseu
  • Capitão Poço
  • Rondon do Pará
  • São Miguel do Guamá
  • Xinguara
  • Óbidos
  • Baião
  • Juruti
  • Vigia
  • Itupiranga
  • Breu Branco
  • Muaná
  • Salinópolis
  • Conceição do Araguaia
  • Augusto Corrêa
  • Uruará
  • Curuçá
  • Pacajá
  • Porto de Moz
  • Tucumã
  • Ulianópolis
  • Afuá
  • Jacundá
  • Igarapé-Açu
  • Rurópolis
  • Prainha
  • Mãe do Rio
  • Almeirim
  • Curralinho
  • Oeiras do Pará
  • Novo Progresso
  • Ourilândia do Norte
  • Santana do Araguaia
  • Bagre
  • Anapu
  • Gurupá
  • Irituia
  • São Domingos do Capim
  • Ipixuna do Pará
  • Limoeiro do Ajuru
  • Tracuateua
  • Eldorado do Carajás
  • Anajás
  • Melgaço
  • Santo Antônio do Tauá
  • Mocajuba
  • Medicilândia
  • Concórdia do Pará
  • Marapanim
  • Goianésia do Pará
  • Maracanã
  • São Sebastião da Boa Vista
  • Ponta de Pedras
  • Brasil Novo
  • Garrafão do Norte
  • Santa Maria do Pará
  • Bujaru
  • São Geraldo do Araguaia
  • Soure
  • Salvaterra
  • Jacareacanga
  • Cachoeira do Arari
  • Aurora do Pará
  • Mojuí dos Campos
  • Senador José Porfírio
  • São Domingos do Araguaia
  • Santa Bárbara do Pará
  • Chaves
  • São João de Pirabas
  • Nova Esperança do Piriá
  • Santa Luzia do Pará
  • Curionópolis
  • Cachoeira do Piriá
  • Terra Santa
  • Placas
  • Rio Maria
  • Aveiro
  • Belterra
  • Água Azul do Norte
  • Bom Jesus do Tocantins
  • Floresta do Araguaia
  • Ourém
  • São Caetano de Odivelas
  • Santa Maria das Barreiras
  • Vitória do Xingu
  • Trairão
  • São Francisco do Pará
  • Curuá
  • Cumaru do Norte
  • Nova Ipixuna
  • São João do Araguaia
  • Colares
  • Piçarra
  • Nova Timboteua
  • Bonito
  • Quatipuru
  • Primavera
  • Terra Alta
  • Inhangapi
  • Faro
  • Peixe-Boi
  • Magalhães Barata
  • Santa Cruz do Arari
  • Abel Figueiredo
  • Pau d'Arco
  • Palestina do Pará
  • Brejo Grande do Araguaia
  • Santarém Novo
  • Sapucaia
  • São João da Ponta
  • Bannach
  • Rio Branco
  • Cruzeiro do Sul
  • Tarauacá
  • Sena Madureira
  • Feijó
  • Brasiléia
  • Senador Guiomard
  • Mâncio Lima
  • Epitaciolândia
  • Xapuri
  • Marechal Thaumaturgo
  • Porto Acre
  • Plácido de Castro
  • Rodrigues Alves
  • Acrelândia
  • Bujari
  • Manoel Urbano
  • Porto Walter
  • Capixaba
  • Jordão
  • Assis Brasil
  • Santa Rosa do Purus
  • Maceió
  • Arapiraca
  • Rio Largo
  • Palmeira dos Índios
  • Marechal Deodoro
  • União dos Palmares
  • Penedo
  • São Miguel dos Campos
  • Delmiro Gouveia
  • Coruripe
  • Santana do Ipanema
  • Teotônio Vilela
  • Atalaia
  • Girau do Ponciano
  • Pilar
  • Maragogi
  • Campo Alegre
  • São Sebastião
  • São Luís do Quitunde
  • São José da Tapera
  • Craíbas
  • Murici
  • Limoeiro de Anadia
  • Satuba
  • Viçosa
  • Porto Calvo
  • Igaci
  • Junqueiro
  • Matriz de Camaragibe
  • Pão de Açúcar
  • Traipu
  • Feira Grande
  • Piranhas
  • Mata Grande
  • Igreja Nova
  • Boca da Mata
  • São José da Laje
  • Olho d'Água das Flores
  • Porto Real do Colégio
  • Taquarana
  • Água Branca
  • Lagoa da Canoa
  • Major Isidoro
  • Joaquim Gomes
  • Batalha
  • Barra de Santo Antônio
  • Cajueiro
  • Piaçabuçu
  • Colônia Leopoldina
  • Canapi
  • Estrela de Alagoas
  • Messias
  • Inhapi
  • Capela
  • Paripueira
  • Anadia
  • Passo de Camaragibe
  • Ibateguara
  • Maribondo
  • Poço das Trincheiras
  • Senador Rui Palmeira
  • Ouro Branco
  • Santana do Mundaú
  • Quebrangulo
  • Dois Riachos
  • Olivença
  • Coité do Nóia
  • Pariconha
  • Cacimbinhas
  • Novo Lino
  • Flexeiras
  • Branquinha
  • Maravilha
  • Jequiá da Praia
  • Porto de Pedras
  • Japaratinga
  • Carneiros
  • São Miguel dos Milagres
  • Olho d'Água do Casado
  • Campo Grande
  • Barra de São Miguel
  • Monteirópolis
  • Santa Luzia do Norte
  • Campestre
  • Paulo Jacinto
  • São Brás
  • Roteiro
  • Belo Monte
  • Chã Preta
  • Tanque d'Arca
  • Coqueiro Seco
  • Jacuípe
  • Jacaré dos Homens
  • Jaramataia
  • Minador do Negrão
  • Belém
  • Olho d'Água Grande
  • Palestina
  • Jundiá
  • Feliz Deserto
  • Mar Vermelho
  • Pindoba
  • Macapá
  • Santana
  • Laranjal do Jari
  • Oiapoque
  • Mazagão
  • Porto Grande
  • Tartarugalzinho
  • Pedra Branca do Amapari
  • Vitória do Jari
  • Calçoene
  • Amapá
  • Ferreira Gomes
  • Itaubal
  • Serra do Navio
  • Cutias
  • Pracuúba
  • São Luís
  • Imperatriz
  • São José de Ribamar
  • Timon
  • Caxias
  • Paço do Lumiar
  • Codó
  • Açailândia
  • Bacabal
  • Balsas
  • Santa Inês
  • Pinheiro
  • Barra do Corda
  • Chapadinha
  • Grajaú
  • Barreirinhas
  • Itapecuru-Mirim
  • Coroatá
  • Santa Luzia
  • Buriticupu
  • Tutoia
  • Viana
  • São Bento
  • Presidente Dutra
  • Lago da Pedra
  • Vargem Grande
  • Coelho Neto
  • Santa Helena
  • Zé Doca
  • Colinas
  • Araioses
  • São Mateus do Maranhão
  • Rosário
  • Turiaçu
  • Amarante do Maranhão
  • Pedreiras
  • Santa Rita
  • Tuntum
  • Brejo
  • São Domingos do Maranhão
  • Estreito
  • Bom Jardim
  • Urbano Santos
  • Penalva
  • Matões
  • Turilândia
  • Cururupu
  • Pindaré-Mirim
  • Parnarama
  • Vitorino Freire
  • Raposa
  • Vitória do Mearim
  • Buriti
  • Arari
  • Bom Jesus das Selvas
  • Monção
  • São Bernardo
  • Timbiras
  • Alto Alegre do Pindaré
  • Humberto de Campos
  • Arame
  • Anajatuba
  • São João dos Patos
  • Icatu
  • João Lisboa
  • Pedro do Rosário
  • Santa Luzia do Paruá
  • Cantanhede
  • Carutapera
  • Carolina
  • Alto Alegre do Maranhão
  • Santa Quitéria do Maranhão
  • Porto Franco
  • Miranda do Norte
  • Aldeias Altas
  • Governador Nunes Freire
  • Dom Pedro
  • Itinga do Maranhão
  • Trizidela do Vale
  • Buriti Bravo
  • Riachão
  • Matinha
  • Pio XII
  • Maracaçumé
  • Palmeirândia
  • Mirador
  • Peritoró
  • Paulo Ramos
  • Cândido Mendes
  • Bequimão
  • São Vicente Ferrer
  • Barão de Grajaú
  • Pastos Bons
  • São Raimundo das Mangabeiras
  • Morros
  • São João Batista
  • Alcântara
  • Governador Edison Lobão
  • São Benedito do Rio Preto
  • Esperantinópolis
  • Paraibano
  • Olho d'Água das Cunhãs
  • São Luís Gonzaga do Maranhão
  • Formosa da Serra Negra
  • Pirapemas
  • Apicum-Açu
  • Presidente Sarney
  • Matões do Norte
  • Passagem Franca
  • Gonçalves Dias
  • Poção de Pedras
  • Mata Roma
  • Jenipapo dos Vieiras
  • Sítio Novo
  • Paulino Neves
  • Fortuna
  • Bacabeira
  • São João do Soter
  • Cajari
  • Bacuri
  • Centro Novo do Maranhão
  • Joselândia
  • Conceição do Lago-Açu
  • Lago Verde
  • Senador La Rocque
  • Davinópolis
  • Nova Olinda do Maranhão
  • Santo Antônio dos Lopes
  • Nina Rodrigues
  • Mirinzal
  • Igarapé do Meio
  • Governador Eugênio Barros
  • Itaipava do Grajaú
  • Magalhães de Almeida
  • Anapurus
  • Maranhãozinho
  • Santo Amaro do Maranhão
  • Primeira Cruz
  • Olinda Nova do Maranhão
  • São Pedro da Água Branca
  • Buritirana
  • Cidelândia
  • Fortaleza dos Nogueiras
  • Centro do Guilherme
  • Campestre do Maranhão
  • São João do Caru
  • Bom Lugar
  • Água Doce do Maranhão
  • São Francisco do Maranhão
  • Axixá
  • Bela Vista do Maranhão
  • Loreto
  • Lagoa Grande do Maranhão
  • Capinzal do Norte
  • Presidente Juscelino
  • Lima Campos
  • Araguanã
  • Alto Parnaíba
  • Peri Mirim
  • Fernando Falcão
  • Governador Newton Bello
  • Lagoa do Mato
  • Santana do Maranhão
  • Presidente Vargas
  • Vila Nova dos Martírios
  • Guimarães
  • Sucupira do Norte
  • Igarapé Grande
  • Governador Archer
  • Duque Bacelar
  • Cedral
  • Senador Alexandre Costa
  • Serrano do Maranhão
  • Godofredo Viana
  • Cajapió
  • São João do Paraíso
  • Cachoeira Grande
  • Lago do Junco
  • Brejo de Areia
  • Montes Altos
  • São Francisco do Brejão
  • Tasso Fragoso
  • Milagres do Maranhão
  • Satubinha
  • Lago dos Rodrigues
  • Belágua
  • Feira Nova do Maranhão
  • São Domingos do Azeitão
  • Boa Vista do Gurupi
  • Jatobá
  • Ribamar Fiquene
  • Amapá do Maranhão
  • Luís Domingues
  • Central do Maranhão
  • Governador Luiz Rocha
  • Lajeado Novo
  • Marajá do Sena
  • São José dos Basílios
  • Santa Filomena do Maranhão
  • Altamira do Maranhão
  • Afonso Cunha
  • Graça Aranha
  • Porto Rico do Maranhão
  • Bernardo do Mearim
  • São Pedro dos Crentes
  • São Raimundo do Doca Bezerra
  • Sambaíba
  • Tufilândia
  • Benedito Leite
  • Bacurituba
  • Junco do Maranhão
  • Nova Colinas
  • Sucupira do Riachão
  • Presidente Médici
  • São Roberto
  • São Félix de Balsas
  • Nova Iorque
  • Cuiabá
  • Várzea Grande
  • Rondonópolis
  • Sinop
  • Sorriso
  • Tangará da Serra
  • Cáceres
  • Primavera do Leste
  • Lucas do Rio Verde
  • Barra do Garças
  • Alta Floresta
  • Nova Mutum
  • Pontes e Lacerda
  • Campo Novo do Parecis
  • Juína
  • Campo Verde
  • Confresa
  • Juara
  • Peixoto de Azevedo
  • Colíder
  • Poconé
  • Guarantã do Norte
  • Barra do Bugres
  • Água Boa
  • Sapezal
  • Jaciara
  • Mirassol d'Oeste
  • Querência
  • Paranatinga
  • Canarana
  • Colniza
  • Aripuanã
  • Nova Xavantina
  • Poxoréu
  • Diamantino
  • Matupá
  • Vila Rica
  • Chapada dos Guimarães
  • Comodoro
  • Pedra Preta
  • São José dos Quatro Marcos
  • Alto Araguaia
  • Brasnorte
  • Vila Bela da Santíssima Trindade
  • Nova Olímpia
  • Nobres
  • Rosário Oeste
  • Campinápolis
  • Santo Antônio de Leverger
  • São José do Rio Claro
  • Araputanga
  • Tapurah
  • Porto Alegre do Norte
  • Nova Bandeirantes
  • São Félix do Araguaia
  • Alto Garças
  • Nossa Senhora do Livramento
  • Vera
  • Itiquira
  • Nova Canaã do Norte
  • Paranaíta
  • Nova Ubiratã
  • Juscimeira
  • Marcelândia
  • Carlinda
  • Cotriguaçu
  • Guiratinga
  • Alto Taquari
  • Terra Nova do Norte
  • Arenápolis
  • Feliz Natal
  • Juruena
  • Porto Esperidião
  • Ribeirão Cascalheira
  • Tabaporã
  • Cláudia
  • Campos de Júlio
  • Gaúcha do Norte
  • Apiacás
  • Jauru
  • Nova Monte Verde
  • Alto Paraguai
  • Dom Aquino
  • Ipiranga do Norte
  • Santa Terezinha
  • Itanhangá
  • Castanheira
  • Jangada
  • Bom Jesus do Araguaia
  • Barão de Melgaço
  • Denise
  • Pontal do Araguaia
  • Novo São Joaquim
  • Nova Lacerda
  • Novo Mundo
  • Cocalinho
  • General Carneiro
  • São José do Xingu
  • Nortelândia
  • Nova Maringá
  • Alto Boa Vista
  • Porto dos Gaúchos
  • Santa Carmem
  • Itaúba
  • Acorizal
  • Curvelândia
  • Lambari d'Oeste
  • Nova Guarita
  • Rio Branco
  • Canabrava do Norte
  • Nova Santa Helena
  • Nova Nazaré
  • São Pedro da Cipa
  • Torixoréu
  • Santo Antônio do Leste
  • Nova Brasilândia
  • União do Sul
  • Araguaiana
  • Conquista d'Oeste
  • Salto do Céu
  • Nova Marilândia
  • Rondolândia
  • Novo Horizonte do Norte
  • Santa Rita do Trivelato
  • Porto Estrela
  • Figueirópolis d'Oeste
  • Planalto da Serra
  • Tesouro
  • Glória d'Oeste
  • Vale de São Domingos
  • São José do Povo
  • Santa Cruz do Xingu
  • Ribeirãozinho
  • Santo Afonso
  • Luciara
  • Indiavaí
  • Reserva do Cabaçal
  • Novo Santo Antônio
  • Ponte Branca
  • Serra Nova Dourada
  • Araguainha
  • Campo Grande
  • Dourados
  • Três Lagoas
  • Corumbá
  • Ponta Porã
  • Naviraí
  • Nova Andradina
  • Sidrolândia
  • Aquidauana
  • Maracaju
  • Paranaíba
  • Amambai
  • Rio Brilhante
  • Coxim
  • Chapadão do Sul
  • Caarapó
  • São Gabriel do Oeste
  • Ivinhema
  • Aparecida do Taboado
  • Costa Rica
  • Miranda
  • Itaporã
  • Anastácio
  • Jardim
  • Bonito
  • Ribas do Rio Pardo
  • Bataguassu
  • Nova Alvorada do Sul
  • Bela Vista
  • Ladário
  • Cassilândia
  • Fátima do Sul
  • Rio Verde de Mato Grosso
  • Itaquiraí
  • Mundo Novo
  • Terenos
  • Água Clara
  • Sonora
  • Coronel Sapucaia
  • Iguatemi
  • Deodápolis
  • Camapuã
  • Nioaque
  • Paranhos
  • Porto Murtinho
  • Brasilândia
  • Eldorado
  • Dois Irmãos do Buriti
  • Sete Quedas
  • Tacuru
  • Aral Moreira
  • Angélica
  • Batayporã
  • Glória de Dourados
  • Guia Lopes da Laguna
  • Antônio João
  • Bodoquena
  • Inocência
  • Japorã
  • Selvíria
  • Bandeirantes
  • Anaurilândia
  • Jaraguari
  • Santa Rita do Pardo
  • Pedro Gomes
  • Laguna Carapã
  • Juti
  • Vicentina
  • Douradina
  • Paraíso das Águas
  • Rochedo
  • Caracol
  • Rio Negro
  • Corguinho
  • Novo Horizonte do Sul
  • Alcinópolis
  • Taquarussu
  • Jateí
  • Figueirão
  • João Pessoa
  • Campina Grande
  • Santa Rita
  • Patos
  • Bayeux
  • Sousa
  • Cabedelo
  • Cajazeiras
  • Guarabira
  • Sapé
  • Queimadas
  • Mamanguape
  • Pombal
  • Monteiro
  • São Bento
  • Esperança
  • Catolé do Rocha
  • Pedras de Fogo
  • Lagoa Seca
  • Conde
  • Solânea
  • Alagoa Grande
  • Itaporanga
  • Rio Tinto
  • Itabaiana
  • Bananeiras
  • Areia
  • Alhandra
  • Caaporã
  • Mari
  • Princesa Isabel
  • Alagoa Nova
  • Cuité
  • São José de Piranhas
  • Aroeiras
  • Itapororoca
  • Picuí
  • Conceição
  • Remígio
  • Pitimbu
  • Ingá
  • São João do Rio do Peixe
  • Boqueirão
  • Pocinhos
  • Araruna
  • Juazeirinho
  • Cruz do Espírito Santo
  • Araçagi
  • Sumé
  • Piancó
  • Belém
  • Cacimba de Dentro
  • Santa Luzia
  • Uiraúna
  • Jacaraú
  • Coremas
  • Teixeira
  • Mogeiro
  • Puxinanã
  • Massaranduba
  • Tavares
  • Taperoá
  • Soledade
  • Gurinhém
  • Alagoinha
  • Serra Branca
  • Brejo do Cruz
  • Lucena
  • Barra de Santa Rosa
  • Salgado de São Félix
  • Pilar
  • Paulista
  • Arara
  • São Sebastião de Lagoa de Roça
  • Fagundes
  • Manaíra
  • Itatuba
  • Dona Inês
  • Cachoeira dos Índios
  • São Vicente do Seridó
  • Natuba
  • Bonito de Santa Fé
  • Triunfo
  • Marcação
  • Juripiranga
  • Imaculada
  • Nova Floresta
  • Água Branca
  • Juru
  • Pirpirituba
  • Baía da Traição
  • Umbuzeiro
  • Mulungu
  • Riacho dos Cavalos
  • Mataraca
  • Sobrado
  • Gado Bravo
  • Desterro
  • Barra de Santana
  • Tacima
  • Aparecida
  • Lagoa de Dentro
  • São Miguel de Taipu
  • Santa Cecília
  • Cubati
  • São Mamede
  • Juarez Távora
  • Jericó
  • Cacimbas
  • Nazarezinho
  • Areial
  • São José da Lagoa Tapada
  • Capim
  • Casserengue
  • Livramento
  • Pedra Lavrada
  • Serra Redonda
  • Pilões
  • Junco do Seridó
  • Cuitegi
  • Marizópolis
  • Caiçara
  • Santana dos Garrotes
  • Condado
  • Maturéia
  • Boa Vista
  • Diamante
  • Belém do Brejo do Cruz
  • Cuité de Mamanguape
  • Olho D'água
  • Malta
  • Camalaú
  • Santa Cruz
  • Brejo dos Santos
  • Barra de São Miguel
  • Santa Helena
  • São José dos Ramos
  • Montadas
  • Caldas Brandão
  • Pedro Régis
  • Igaracy
  • São José de Caiana
  • Serraria
  • Nova Olinda
  • Ibiara
  • Alcantil
  • Cabaceiras
  • Curral de Cima
  • Caturité
  • Pilõezinhos
  • Boa Ventura
  • Sertãozinho
  • Aguiar
  • Santana de Mangueira
  • Damião
  • Congo
  • Vieirópolis
  • Logradouro
  • Baraúna
  • Riachão do Poço
  • Riachão do Bacamarte
  • Bom Sucesso
  • Santa Terezinha
  • Matinhas
  • Lagoa
  • Catingueira
  • Monte Horebe
  • São Bentinho
  • Nova Palmeira
  • São João do Tigre
  • São João do Cariri
  • Borborema
  • Assunção
  • São José do Sabugi
  • São José de Espinharas
  • Poço de José de Moura
  • Caraúbas
  • Riachão
  • Prata
  • Poço Dantas
  • Pedra Branca
  • Vista Serrana
  • Santa Inês
  • Mãe D'água
  • Olivedos
  • Bernardino Batista
  • São José de Princesa
  • São José dos Cordeiros
  • Salgadinho
  • Duas Estradas
  • Sossêgo
  • Cacimba de Areia
  • São Sebastião do Umbuzeiro
  • São José do Bonfim
  • Gurjão
  • Lastro
  • São Francisco
  • Serra da Raiz
  • Emas
  • Tenório
  • Algodão de Jandaíra
  • Serra Grande
  • Ouro Velho
  • Frei Martinho
  • Cajazeirinhas
  • Várzea
  • Santo André
  • São Domingos
  • São Domingos do Cariri
  • Joca Claudino
  • Mato Grosso
  • Passagem
  • Carrapateira
  • Bom Jesus
  • Zabelê
  • Curral Velho
  • Amparo
  • Areia de Baraúnas
  • Riacho de Santo Antônio
  • Coxixola
  • Quixaba
  • Parari
  • São José do Brejo do Cruz
  • Teresina
  • Parnaíba
  • Picos
  • Piripiri
  • Floriano
  • Barras
  • Altos
  • União
  • Campo Maior
  • José de Freitas
  • Esperantina
  • São Raimundo Nonato
  • Oeiras
  • Pedro II
  • Miguel Alves
  • Luís Correia
  • Bom Jesus
  • Piracuruca
  • Cocal
  • Corrente
  • Batalha
  • Luzilândia
  • Uruçuí
  • Valença do Piauí
  • São João do Piauí
  • Paulistana
  • Buriti dos Lopes
  • Canto do Buriti
  • Castelo do Piauí
  • Pio IX
  • Água Branca
  • São Miguel do Tapuio
  • Jaicós
  • Amarante
  • Regeneração
  • Demerval Lobão
  • Inhuma
  • Simões
  • Joaquim Pires
  • Simplício Mendes
  • São Pedro do Piauí
  • Elesbão Veloso
  • Alto Longá
  • Baixa Grande do Ribeiro
  • Palmeirais
  • Porto
  • Pimenteiras
  • Curimatá
  • Capitão de Campos
  • Gilbués
  • Avelino Lopes
  • Itainópolis
  • Monte Alegre do Piauí
  • Matias Olímpio
  • Cristino Castro
  • Itaueira
  • Caracol
  • Fronteiras
  • Guadalupe
  • Nazária
  • Monsenhor Gil
  • Cabeceiras do Piauí
  • Parnaguá
  • Beneditinos
  • Murici dos Portelas
  • Sigefredo Pacheco
  • Ipiranga do Piauí
  • Anísio de Abreu
  • Ilha Grande
  • Dom Inocêncio
  • Queimada Nova
  • Marcolândia
  • Nossa Senhora dos Remédios
  • Brasileira
  • Redenção do Gurgueia
  • Lagoa Alegre
  • Francisco Santos
  • São João do Arraial
  • Madeiro
  • Cajueiro da Praia
  • Isaías Coelho
  • Monsenhor Hipólito
  • Assunção do Piauí
  • Buriti dos Montes
  • Campo Largo do Piauí
  • Cristalândia do Piauí
  • Dirceu Arcoverde
  • Colônia do Piauí
  • Boa Hora
  • Angical do Piauí
  • Alagoinha do Piauí
  • Nazaré do Piauí
  • Barro Duro
  • São José do Piauí
  • Boqueirão do Piauí
  • Milton Brandão
  • Morro do Chapéu do Piauí
  • Acauã
  • Cocal dos Alves
  • Padre Marcos
  • Lagoa de São Francisco
  • Dom Expedito Lopes
  • Betânia do Piauí
  • Sussuapara
  • Ribeiro Gonçalves
  • Colônia do Gurguéia
  • São João da Serra
  • Novo Oriente do Piauí
  • Santa Filomena
  • São Julião
  • Campo Grande do Piauí
  • Bonfim do Piauí
  • Santo Antônio de Lisboa
  • Santa Cruz do Piauí
  • Rio Grande do Piauí
  • Bom Princípio do Piauí
  • Caraúbas do Piauí
  • Jacobina do Piauí
  • São Francisco de Assis do Piauí
  • Bertolínia
  • São João da Fronteira
  • Caldeirão Grande do Piauí
  • Caxingó
  • Geminiano
  • Patos do Piauí
  • Joca Marques
  • São Francisco do Piauí
  • Júlio Borges
  • Aroazes
  • Santa Luz
  • Alvorada do Gurguéia
  • Fartura do Piauí
  • Nossa Senhora de Nazaré
  • Massapê do Piauí
  • Juazeiro do Piauí
  • Landri Sales
  • Manoel Emídio
  • Curral Novo do Piauí
  • Várzea Branca
  • Caridade do Piauí
  • Lagoa do Barro do Piauí
  • Palmeira do Piauí
  • Agricolândia
  • Campinas do Piauí
  • Conceição do Canindé
  • Cocal de Telha
  • Currais
  • São José do Divino
  • São Gonçalo do Piauí
  • Lagoa do Piauí
  • Marcos Parente
  • Santa Rosa do Piauí
  • Alegrete do Piauí
  • Campo Alegre do Fidalgo
  • Arraial
  • Lagoa do Sítio
  • Francinópolis
  • Jerumenha
  • Jatobá do Piauí
  • Sebastião Leal
  • Jurema
  • Várzea Grande
  • Flores do Piauí
  • Curralinhos
  • Francisco Ayres
  • São Lourenço do Piauí
  • São João da Varjota
  • Morro Cabeça no Tempo
  • Eliseu Martins
  • São Bráz do Piauí
  • Guaribas
  • Coronel José Dias
  • São João da Canabrava
  • Jardim do Mulato
  • Riacho Frio
  • Socorro do Piauí
  • Passagem Franca do Piauí
  • Santana do Piauí
  • Bela Vista do Piauí
  • Paes Landim
  • Bocaina
  • Nova Santa Rita
  • Domingos Mourão
  • Wall Ferraz
  • Ribeira do Piauí
  • Coivaras
  • Barra D'Alcântara
  • Capitão Gervásio Oliveira
  • Brejo do Piauí
  • Pau D'Arco do Piauí
  • Paquetá
  • Santo Inácio do Piauí
  • Pavussu
  • Hugo Napoleão
  • Santa Cruz dos Milagres
  • Belém do Piauí
  • Canavieira
  • São José do Peixe
  • Barreiras do Piauí
  • Sebastião Barros
  • Vera Mendes
  • Antônio Almeida
  • Cajazeiras do Piauí
  • Prata do Piauí
  • Pajeú do Piauí
  • João Costa
  • Tamboril do Piauí
  • São Gonçalo do Gurguéia
  • Lagoinha do Piauí
  • Vila Nova do Piauí
  • Francisco Macedo
  • São Miguel do Fidalgo
  • Novo Santo Antônio
  • São Felix do Piauí
  • Aroeiras do Itaim
  • Olho d'Água do Piauí
  • Pedro Laurentino
  • Porto Alegre do Piauí
  • Floresta do Piauí
  • Tanque do Piauí
  • São Luis do Piauí
  • São Miguel da Baixa Grande
  • Santo Antônio dos Milagres
  • Miguel Leão
  • Viçosa
  • Ipueira
  • João Dias
  • Galinhos
  • Monte das Gameleiras
  • Bodó
  • Taboleiro Grande
  • Timbaúba dos Batistas
  • Jardim de Angicos
  • Pedra Preta
  • Lagoa de Velhos
  • Santana do Seridó
  • Francisco Dantas
  • Riacho da Cruz
  • Rafael Godeiro
  • Fernando Pedroza
  • Água Nova
  • Pilões
  • Venha-Ver
  • Passagem
  • Vila Flor
  • Ruy Barbosa
  • Caiçara do Rio do Vento
  • São Bento do Norte
  • Triunfo Potiguar
  • Lucrécia
  • São Fernando
  • Paraú
  • Pedra Grande
  • Jundiá
  • São Bento do Trairi
  • Olho-d'Água do Borges
  • Major Sales
  • Paraná
  • Barcelona
  • Senador Georgino Avelino
  • Frutuoso Gomes
  • Riacho de Santana
  • São Francisco do Oeste
  • Coronel João Pessoa
  • Rodolfo Fernandes
  • Messias Targino
  • São José do Seridó
  • Sítio Novo
  • Serrinha dos Pintos
  • Almino Afonso
  • Janduís
  • Lajes Pintadas
  • Parazinho
  • Bento Fernandes
  • Santa Maria
  • Ouro Branco
  • Japi
  • Coronel Ezequiel
  • Porto do Mangue
  • Várzea
  • Itaú
  • Equador
  • Tibau
  • Rafael Fernandes
  • Severiano Melo
  • Serra de São Bento
  • São Pedro
  • José da Penha
  • Tenente Laurentino Cruz
  • Felipe Guerra
  • São João do Sabugi
  • Senador Elói de Souza
  • Encanto
  • Pedro Avelino
  • Caiçara do Norte
  • São Vicente
  • Serrinha
  • Jandaíra
  • Antônio Martins
  • Lagoa d'Anta
  • Doutor Severiano
  • Itajá
  • Lagoa de Pedras
  • Riachuelo
  • Serra Negra do Norte
  • Portalegre
  • São Rafael
  • Jaçanã
  • Marcelino Vieira
  • Carnaúba dos Dantas
  • Cruzeta
  • Martins
  • Lagoa Salgada
  • Baía Formosa
  • Boa Saúde
  • Luís Gomes
  • Pureza
  • Carnaubais
  • Campo Grande
  • Lajes
  • Grossos
  • Bom Jesus
  • São Tomé
  • Umarizal
  • Florânia
  • Campo Redondo
  • São Miguel do Gostoso
  • Maxaranguape
  • Serra Caiada
  • Rio do Fogo
  • Acari
  • Espírito Santo
  • Vera Cruz
  • Afonso Bezerra
  • Passa-e-Fica
  • Tenente Ananias
  • Cerro Corá
  • Patu
  • São José do Campestre
  • Taipu
  • Montanhas (Rio Grande do Norte)
  • Ielmo Marinho
  • Angicos
  • Jardim do Seridó
  • Governador Dix-Sept Rosado
  • Brejinho (Rio Grande do Norte)
  • Pendências
  • Poço Branco
  • Santana do Matos
  • Alto do Rodrigues
  • Serra do Mel
  • Arez
  • Tangará
  • Upanema
  • Alexandria
  • Pedro Velho
  • Jardim de Piranhas
  • Ipanguaçu
  • Guamaré
  • Lagoa Nova
  • São Paulo do Potengi
  • Tibau do Sul
  • Jucurutu
  • Caraúbas
  • Parelhas
  • Santo Antônio
  • Monte Alegre
  • São Miguel
  • Areia Branca
  • Goianinha
  • Baraúna
  • Macau
  • Canguaretama
  • Pau dos Ferros
  • Nísia Floresta
  • Touros
  • João Câmara
  • Nova Cruz
  • Apodi
  • Santa Cruz
  • Currais Novos
  • São José de Mipibu
  • Assú
  • Caicó
  • Extremoz
  • Ceará-Mirim
  • Macaíba
  • São Gonçalo do Amarante
  • Parnamirim
  • Mossoró
  • Natal
  • Município
  • Porto Velho
  • Ji-Paraná
  • Ariquemes
  • Vilhena
  • Cacoal
  • Rolim de Moura
  • Jaru
  • Guajará-Mirim
  • Ouro Preto do Oeste
  • Pimenta Bueno
  • Machadinho do Oeste
  • Espigão d'Oeste
  • Buritis
  • Nova Mamoré
  • Candeias do Jamari
  • São Miguel do Guaporé
  • Alta Floresta do Oeste
  • Presidente Médici
  • Alto Paraíso
  • São Francisco do Guaporé
  • Cerejeiras
  • Nova Brasilândia do Oeste
  • Colorado do Oeste
  • Cujubim
  • Alvorada do Oeste
  • Costa Marques
  • Monte Negro
  • Alto Alegre dos Parecis
  • Seringueiras
  • Urupá
  • Chupinguaia
  • Mirante da Serra
  • Campo Novo de Rondônia
  • Itapuã do Oeste
  • Theobroma
  • Governador Jorge Teixeira
  • Vale do Anari
  • Novo Horizonte do Oeste
  • Corumbiara
  • Santa Luzia do Oeste
  • Vale do Paraíso
  • Ministro Andreazza
  • Nova União
  • Cabixi
  • São Felipe do Oeste
  • Teixeirópolis
  • Cacaulândia
  • Parecis
  • Rio Crespo
  • Castanheiras
  • Primavera de Rondônia
  • Pimenteiras do Oeste
  • Boa Vista
  • Rorainópolis
  • Alto Alegre
  • Caracaraí
  • Pacaraima
  • Cantá
  • Mucajaí
  • Amajari
  • Bonfim
  • Normandia
  • Uiramutã
  • Iracema
  • Caroebe
  • São João da Baliza
  • São Luiz
  • Aracaju
  • Nossa Senhora do Socorro
  • Itabaiana
  • Lagarto
  • São Cristóvão
  • Estância
  • Tobias Barreto
  • Simão Dias
  • Barra dos Coqueiros
  • Nossa Senhora da Glória
  • Itabaianinha
  • Itaporanga d'Ajuda
  • Poço Redondo
  • Capela
  • Canindé de São Francisco
  • Propriá
  • Porto da Folha
  • Nossa Senhora das Dores
  • Boquim
  • Laranjeiras
  • Umbaúba
  • Poço Verde
  • Salgado
  • Aquidabã
  • Carira
  • Riachão do Dantas
  • Campo do Brito
  • Areia Branca
  • Cristinápolis
  • Ribeirópolis
  • Indiaroba
  • Japaratuba
  • Maruim
  • Frei Paulo
  • Monte Alegre de Sergipe
  • Carmópolis
  • Santa Luzia do Itanhy
  • Japoatã
  • Pacatuba
  • Tomar do Geru
  • Malhador
  • Gararu
  • Santo Amaro das Brotas
  • Moita Bonita
  • São Domingos
  • Arauá
  • Rosário do Catete
  • Nossa Senhora Aparecida
  • Ilha das Flores
  • Riachuelo
  • Pirambu
  • Brejo Grande
  • Siriri
  • Muribeca
  • Pedrinhas
  • Santana do São Francisco
  • Macambira
  • Nossa Senhora de Lourdes
  • Feira Nova
  • Graccho Cardoso
  • Pinhão
  • Cedro de São João
  • Itabi
  • Divina Pastora
  • Santa Rosa de Lima
  • Cumbe
  • Canhoba
  • São Miguel do Aleixo
  • Telha
  • São Francisco
  • General Maynard
  • Pedra Mole
  • Amparo de São Francisco
  • Palmas
  • Araguaína
  • Gurupi
  • Porto Nacional
  • Paraíso do Tocantins
  • Colinas do Tocantins
  • Araguatins
  • Guaraí
  • Tocantinópolis
  • Formoso do Araguaia
  • Miracema do Tocantins
  • Dianópolis
  • Augustinópolis
  • Lagoa da Confusão
  • Pedro Afonso
  • Taguatinga
  • São Miguel do Tocantins
  • Miranorte
  • Goiatins
  • Sítio Novo do Tocantins
  • Paranã
  • Wanderlândia
  • Xambioá
  • Nova Olinda
  • Ananás
  • Buriti do Tocantins
  • Arraias
  • Axixá do Tocantins
  • Peixe
  • Praia Norte
  • Colméia
  • Alvorada
  • Natividade
  • Campos Lindos
  • Araguaçu
  • Babaçulândia
  • Filadélfia
  • Ponte Alta do Tocantins
  • Esperantina
  • Tocantínia
  • Santa Fé do Araguaia
  • Pium
  • Divinópolis do Tocantins
  • Palmeirópolis
  • Itacajá
  • Almas
  • Cristalândia
  • Dois Irmãos do Tocantins
  • Araguacema
  • Darcinópolis
  • Monte do Carmo
  • São Bento do Tocantins
  • Arapoema
  • Couto Magalhães
  • Aragominas
  • Figueirópolis
  • Itaguatins
  • Aliança do Tocantins
  • Silvanópolis
  • Pequizeiro
  • Palmeiras do Tocantins
  • Aparecida do Rio Negro
  • Caseara
  • Barrolândia
  • Rio Sono
  • Palmeirante
  • Combinado
  • Goianorte
  • Brejinho de Nazaré
  • Santa Rosa do Tocantins
  • Marianópolis do Tocantins
  • Nazaré
  • Aguiarnópolis
  • Pindorama do Tocantins
  • Barra do Ouro
  • São Valério
  • Araguanã
  • Dueré
  • Bernardo Sayão
  • Ponte Alta do Bom Jesus
  • Sampaio
  • São Sebastião do Tocantins
  • Pau D'Arco
  • Bom Jesus do Tocantins
  • Cariri do Tocantins
  • Novo Acordo
  • Riachinho
  • Conceição do Tocantins
  • Sandolândia
  • Itapiratins
  • Lagoa do Tocantins
  • Fátima
  • Tabocão
  • Recursolândia
  • Bandeirantes do Tocantins
  • Muricilândia
  • Nova Rosalândia
  • Lajeado
  • Aurora do Tocantins
  • Jaú do Tocantins
  • Carrasco Bonito
  • Chapada da Natividade
  • Maurilândia do Tocantins
  • Presidente Kennedy
  • Lizarda
  • Angico
  • Porto Alegre do Tocantins
  • Santa Tereza do Tocantins
  • Mateiros
  • Rio dos Bois
  • Luzinópolis
  • Santa Maria do Tocantins
  • Abreulândia
  • Talismã
  • Santa Terezinha do Tocantins
  • Itaporã do Tocantins
  • Monte Santo do Tocantins
  • São Salvador do Tocantins
  • Piraquê
  • Juarina
  • Novo Jardim
  • Santa Rita do Tocantins
  • Carmolândia
  • Pugmil
  • Centenário
  • Taipas do Tocantins
  • Brasilândia do Tocantins
  • Cachoeirinha
  • Tupirama
  • Tupiratins
  • Novo Alegre
  • São Félix do Tocantins
  • Rio da Conceição
  • Lavandeira
  • Ipueiras
  • Sucupira
  • Chapada de Areia
  • Crixás do Tocantins
  • Oliveira de Fátima